Datasheet MIC4609 (Microchip) - 4

HerstellerMicrochip
Beschreibung600V 3-Phase MOSFET/IGBT Driver
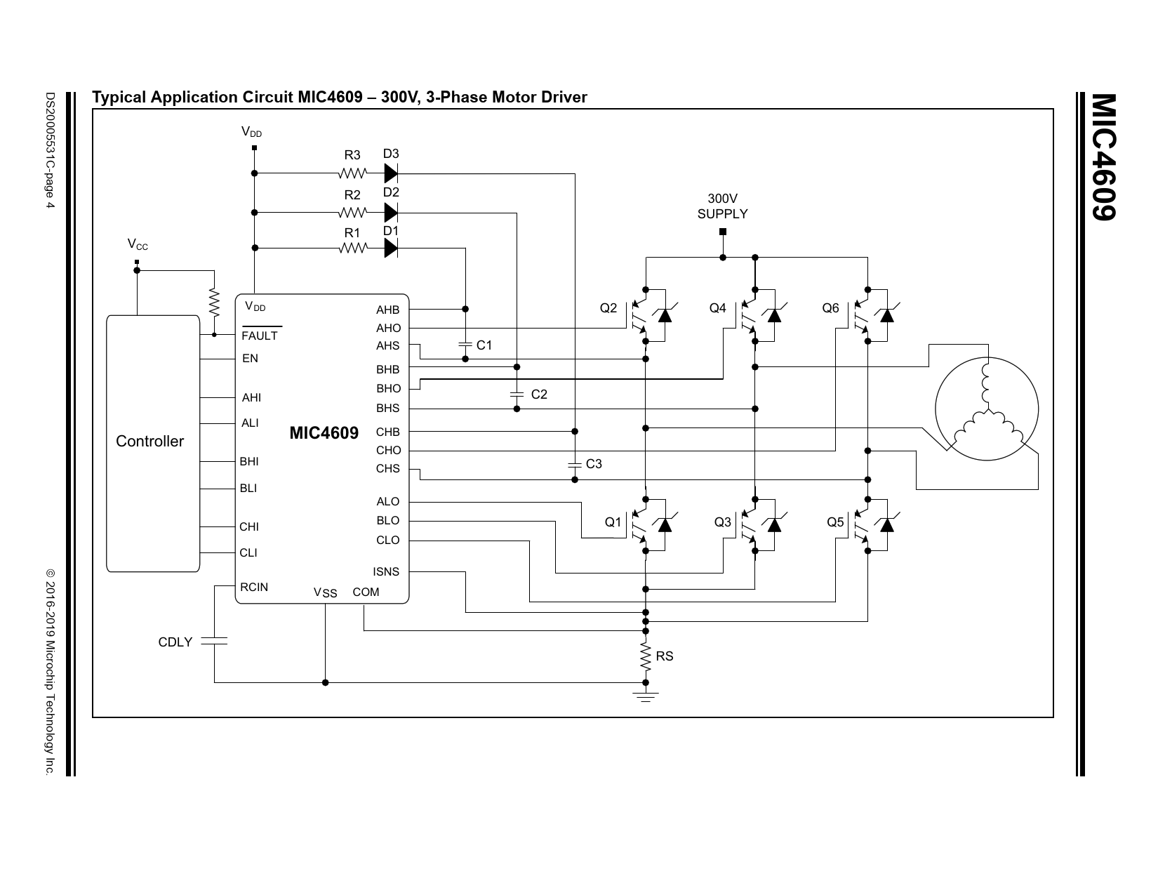
Seiten / Seite36 / 4 — Typical Application Circuit MIC4609 – 300V, 3-Phase Motor Driver. C460. …
Dateiformat / GrößePDF / 782 Kb
DokumentenspracheEnglisch

Typical Application Circuit MIC4609 – 300V, 3-Phase Motor Driver. C460. MIC4609

Typical Application Circuit MIC4609 – 300V, 3-Phase Motor Driver C460 MIC4609

Modelllinie für dieses Datenblatt

Textversion des Dokuments

DS2
MI Typical Application Circuit MIC4609 – 300V, 3-Phase Motor Driver
0005531C-page 4
C460
VDD R3 D3 D2 R2 300V
9
SUPPLY D1 R1 VCC VDD AHB Q2 Q4 Q6 AHO FAULT AHS C1 EN BHB BHO AHI C2 BHS ALI CHB
MIC4609
Controller CHO BHI CHS C3 BLI ALO BLO CHI Q1 Q3 Q5 CLO CLI  2016-20 ISNS RCIN VSS COM 19 M ic CDLY rochip RS T e chnology Inc. Document Outline 600V 3-Phase MOSFET/IGBT Driver Features Typical Applications General Description Package Type Functional Block Diagram MIC4609 – Top Level Circuit Functional Block Diagram MIC4609 – Phase x Drive Circuit Typical Application Circuit MIC4609 – 300V, 3-Phase Motor Driver 1.0 Electrical Characteristics Absolute Maximum Ratings Operating Ratings AC/DC Electrical Characteristics Temperature Characteristics 2.0 Typical Performance Curves FIGURE 2-1: VDD Quiescent Current vs. VDD Voltage. FIGURE 2-2: VDD Quiescent Current vs. Temperature. FIGURE 2-3: VHB Quiescent Current vs. VHB Voltage. FIGURE 2-4: VHB Quiescent Current vs. Temperature. FIGURE 2-5: VDD+HB Shutdown Current vs. Voltage. FIGURE 2-6: VDD+HB Shutdown Current vs. Temperature. FIGURE 2-7: VDD+HB Shutdown Current vs. Voltage. FIGURE 2-8: VDD+HB Shutdown Current vs. Temperature. FIGURE 2-9: VDD Operating Current vs. Frequency. FIGURE 2-10: VHB Operating Current vs. Frequency – One Phase. FIGURE 2-11: HO Output Sink ON-Resistance vs. VDD. FIGURE 2-12: HO Output Sink ON-Resistance vs. Temperature. FIGURE 2-13: LO Output Sink ON-Resistance vs. VDD. FIGURE 2-14: LO Output Sink ON-Resistance vs. Temperature. FIGURE 2-15: HO Output Source ON-Resistance vs. VDD. FIGURE 2-16: HO Output Source ON-Resistance vs. Temperature. FIGURE 2-17: LO Output Source ON-Resistance vs. VDD. FIGURE 2-18: LO Output Source ON-Resistance vs. Temperature. FIGURE 2-19: VDD/VHB ULVO vs. Temperature. FIGURE 2-20: Propagation Delay vs. VDD Voltage. FIGURE 2-21: Propagation Delay vs. Temperature. FIGURE 2-22: HO Rise Time vs. VDD Voltage. FIGURE 2-23: HO Fall Time vs. VDD Voltage. FIGURE 2-24: LO Rise Time vs. VDD Voltage. FIGURE 2-25: LO Fall Time vs. VDD Voltage. FIGURE 2-26: Rise/Fall Time vs. Temperature (VDD = 10V). FIGURE 2-27: Rise/Fall Time vs. Temperature (VDD = 20V). FIGURE 2-28: Dead Time vs. VDD Voltage. FIGURE 2-29: Dead Time vs. Temperature (VDD = 10V). FIGURE 2-30: Dead Time vs. Temperature (VDD = 20V). FIGURE 2-31: Overcurrent Threshold vs. VDD Voltage. FIGURE 2-32: Overcurrent Threshold vs. Temperature. FIGURE 2-33: Overcurrent Propagation Delay vs. VDD Voltage. FIGURE 2-34: Overcurrent Propagation Delay vs. Temperature. 3.0 Pin Descriptions TABLE 3-1: Pin Function Table 4.0 Functional Description 4.1 UVLO Protection 4.2 Startup and UVLO FIGURE 4-1: Startup and Fault Timing Diagram. TABLE 4-1: Operational Truth Table 4.3 Enable Inputs 4.4 Input Stage FIGURE 4-2: Input Stage Block Diagram. FIGURE 4-3: Minimum Pulse-Width Diagram. 4.5 Dead Time and Anti-Shoot-Through Protection FIGURE 4-4: Dead Time, Propagation Delay, and Rise/Fall-Time Diagram. 4.6 Low-Side Driver Output Stage FIGURE 4-5: Low-Side Driver Block Diagram. 4.7 High-Side Driver and Bootstrap Circuit FIGURE 4-6: High-Side Driver and Bootstrap Circuit Block Diagram. FIGURE 4-7: MIC4609 Motor Driver Typical Application – Phase A. 4.8 Overcurrent Protection Circuitry FIGURE 4-8: Overcurrent Fault Sequence. 5.0 Application Information 5.1 Bootstrap Circuit FIGURE 5-1: MIC4609 – Bootstrap Circuit. 5.2 HS Node Clamp FIGURE 5-2: Negative HS Pin Voltage. 5.3 Power Dissipation Considerations FIGURE 5-3: MIC4609 High-Side Driving an External IGBT. FIGURE 5-4: Typical Gate Charge vs. VGE. 5.4 Decoupling Capacitor Selection 5.5 Grounding, Component Placement, and Circuit Layout FIGURE 5-5: Turn-On Current Paths. FIGURE 5-6: Turn-Off Current Paths. 6.0 Packaging Information 6.1 Package Marking Information 28-Lead SOICW Package Outline and Recommended Land Pattern Appendix A: Revision History Revision C (September 2019) Revision B (November 2017) Revision A (March 2016) Product Identification System Trademark Worldwide Sales and Service