Datasheet AL3644 (Diodes) - 3
| Hersteller | Diodes |
| Beschreibung | Dual 1.5A Current Source Camera Flash LED Driver |
| Seiten / Seite | 23 / 3 — AL3644. Functional Block Diagram. C U. O R P. www.diodes.com |
| Dateiformat / Größe | PDF / 805 Kb |
| Dokumentensprache | Englisch |
AL3644. Functional Block Diagram. C U. O R P. www.diodes.com

Modelllinie für dieses Datenblatt
Textversion des Dokuments
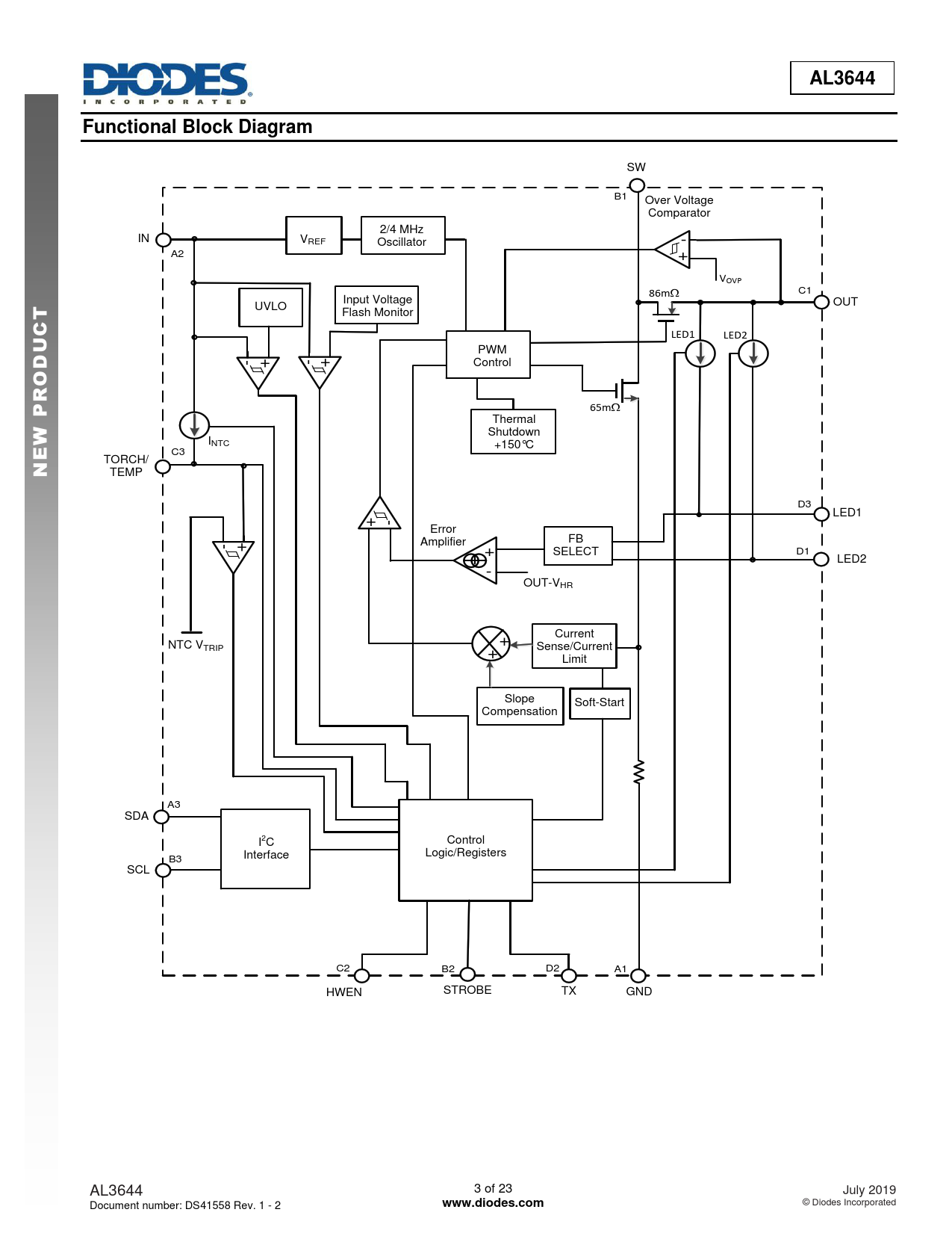
AL3644 Functional Block Diagram
SW B1 Over Voltage Comparator 2/4 MHz - IN VREF Oscillator + A2 VOVP 86mW C1
T
Input Voltage OUT UVLO Flash Monitor
C U
LED1 LED2
D
- + PWM - + Control
O R P
65mW Thermal
W
Shutdown
E
INTC +150°C C3
N
TORCH/ TEMP D3 LED1 + - Error - + Amplifier + FB SELECT D1 - LED2 OUT-VHR Current NTC V + TRIP Sense/Current + Limit Slope Soft-Start Compensation A3 SDA I2C Control Interface Logic/Registers B3 SCL C2 B2 D2 A1 HWEN STROBE TX GND AL3644 3 of 23 July 2019 Document number: DS41558 Rev. 1 - 2
www.diodes.com
© Diodes Incorporated