Datasheet TB67S111PG (Toshiba) - 3

HerstellerToshiba
BeschreibungBiCD Integrated Circuit Silicon Monolithic
Seiten / Seite15 / 3 — Block Diagram. IC considerations
Dateiformat / GrößePDF / 315 Kb
DokumentenspracheEnglisch

Block Diagram. IC considerations

Block Diagram IC considerations

Modelllinie für dieses Datenblatt

Textversion des Dokuments

TB67S111PG
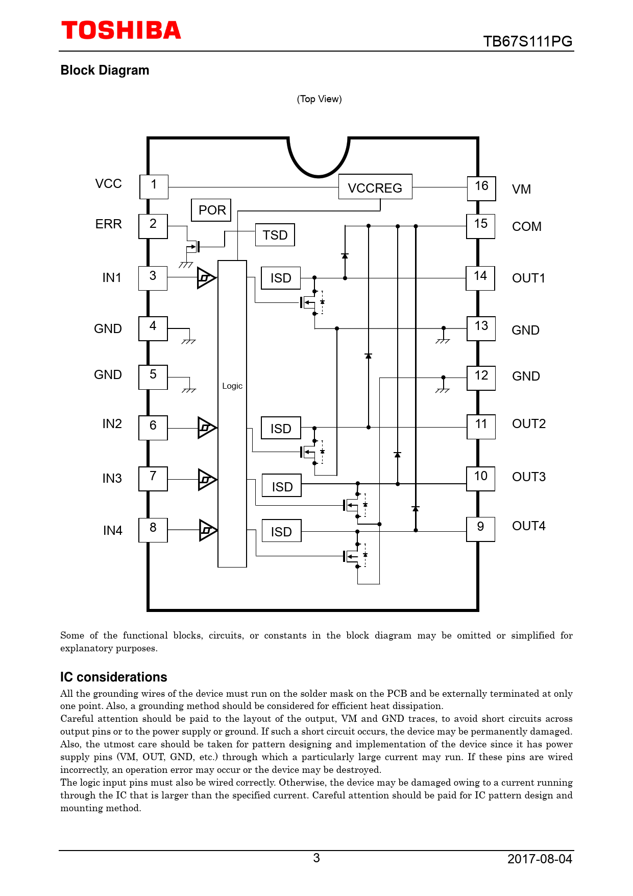
Block Diagram
(Top View) VCC 1 VCCREG 16 VM POR ERR 2 15 COM TSD IN1 3 ISD 14 OUT1 GND 4 13 GND GND 5 12 GND Logic IN2 11 OUT2 6 ISD IN3 7 10 OUT3 ISD 9 OUT4 IN4 8 ISD Some of the functional blocks, circuits, or constants in the block diagram may be omitted or simplified for explanatory purposes.
IC considerations
All the grounding wires of the device must run on the solder mask on the PCB and be externally terminated at only one point. Also, a grounding method should be considered for efficient heat dissipation. Careful attention should be paid to the layout of the output, VM and GND traces, to avoid short circuits across output pins or to the power supply or ground. If such a short circuit occurs, the device may be permanently damaged. Also, the utmost care should be taken for pattern designing and implementation of the device since it has power supply pins (VM, OUT, GND, etc.) through which a particularly large current may run. If these pins are wired incorrectly, an operation error may occur or the device may be destroyed. The logic input pins must also be wired correctly. Otherwise, the device may be damaged owing to a current running through the IC that is larger than the specified current. Careful attention should be paid for IC pattern design and mounting method. 3 2017-08-04