Datasheet IR3826A (Infineon) - 6
| Hersteller | Infineon |
| Beschreibung | OptiMOS™ IPOL 16 A single-voltage synchronous buck regulator |
| Seiten / Seite | 53 / 6 — IR 8. A OptiMOS™ IPOL. 16 A single-voltage synchronous Buck regulator. … |
| Revision | 02_02 |
| Dateiformat / Größe | PDF / 2.2 Mb |
| Dokumentensprache | Englisch |
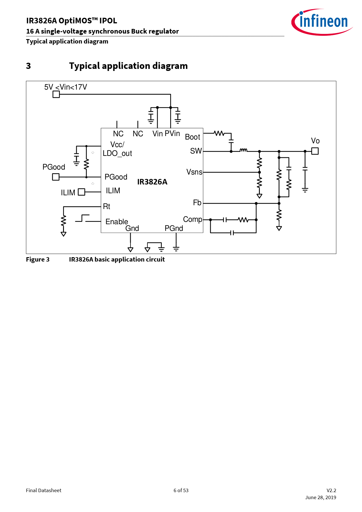
IR 8. A OptiMOS™ IPOL. 16 A single-voltage synchronous Buck regulator. Typical application diagram. IR3826A. Figure 3

Modelllinie für dieses Datenblatt
Textversion des Dokuments
IR 8 A OptiMOS™ IPOL 16 A single-voltage synchronous Buck regulator Typical application diagram 3 Typical application diagram
5V <Vin<17V NC NC Vin PVin Boot Vo Vcc/ LDO_out SW PGood Vsns PGood
IR3826A
ILIM ILIM Fb Rt Comp EnableGnd PGnd
Figure 3 IR3826A basic application circuit
Final Datasheet 6 of 53 V2.2 June 28, 2019 Document Outline Revision History Trademarks Disclaimer