Datasheet DA9220 (Dialog Semiconductor) - 2
| Hersteller | Dialog Semiconductor |
| Beschreibung | High-Performance Dual-Channel DC-DC Converter |
| Seiten / Seite | 61 / 2 — DA9220. High-Performance Dual-Channel DC-DC Converter. System Diagrams. … |
| Dateiformat / Größe | PDF / 1.5 Mb |
| Dokumentensprache | Englisch |
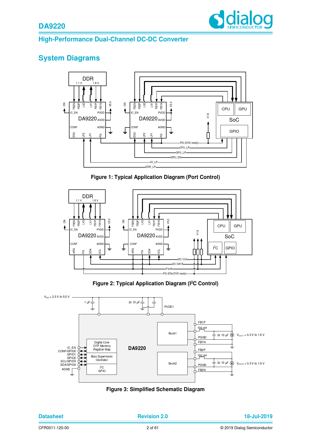
DA9220. High-Performance Dual-Channel DC-DC Converter. System Diagrams. Figure 1: Typical Application Diagram (Port Control)

Modelllinie für dieses Datenblatt
Textversion des Dokuments
DA9220 High-Performance Dual-Channel DC-DC Converter System Diagrams
DDR 1.1 V 1.8 V N N P 2 1 P N .0 N 5 N P 2 1 P N .0 O 2 2 X X 1 1 V O 2 2 X X 1 1 5 B B L L B B B B L L B B V F F F F F F F F CPU GPU IC_EN PVDD IC_EN PVDD .8 1 DA9220 V AVDD DA9220 AVDD SoC CONF AGND CONF AGND GPIO 2 2 1 2 2 1 N P P G N P P G E L L P E L L P PG (DVS ready) CPU_LP GPU_LP GPU_EN IO_LP DDR_LP
Figure 1: Typical Application Diagram (Port Control)
DDR 1.1 V 1.8 V N N P 2 1 P N .0 N 5 N P 2 1 P N .0 O 2 2 X X 1 1 V O 2 2 X X 1 1 5 B B L L B B B B L L B B V F F F F F F F F CPU GPU IC_EN PVDD IC_EN PVDD .8 1 DA9220 AVDD DA9220 V AVDD SoC CONF AGND CONF AGND Q A L Q I2C GPIO A L IR G D C IR G D C n P S S n P S S I2C CLK I2C DATA Faults PG (ENx/DVS ready)
Figure 2: Typical Application Diagram (I2C Control)
VDD = 2.5 V to 5.5 V 1 µF 2x 10 µF PVDD1 FB1P 100 nH Buck1 2x 10 µF VOUT1 = 0.3 V to 1.9 V PGND Digital Core FB1N OTP Memory IC_EN Register Map
DA9220
CONF/GPIO0 FB2P GPIO1 100 nH Bias Supervision GPIO2 SCL/GPIO3 Oscillator Buck2 2x 10 µF V SDA/GPIO4 PGND OUT2 = 0. 3 V to 1.9 V I2C AG ND FB2N GPIO
Figure 3: Simplified Schematic Diagram Datasheet Revision 2.0 18-Jul-2019
CFR0011-120-00 2 of 61 © 2019 Dialog Semiconductor Document Outline General Description Key Features Applications System Diagrams Contents 1 Terms and Definitions 2 Pinout 3 Characteristics 3.1 Absolute Maximum Ratings 3.2 Recommended Operating Conditions 3.3 Thermal Characteristics 3.3.1 Thermal Ratings 3.3.2 Power Dissipation 3.4 ESD Characteristics 3.5 Buck Characteristics 3.6 Performance and Supervision Characteristics 3.7 Digital I/O Characteristics 3.8 Timing Characteristics 3.9 Typical Performance 4 Functional Description 4.1 DC-DC Buck Converter 4.1.1 Switching Frequency 4.1.2 Operation Modes and Phase Selection 4.1.3 Output Voltage Selection 4.1.4 Soft Start-Up and Shutdown 4.1.5 Current Limit 4.1.6 Thermal Protection 4.2 Internal Circuits 4.2.1 IC_EN/Chip Enable/Disable 4.2.2 nIRQ/Interrupt 4.2.3 GPIO 4.2.3.1 GPIO Pin Assignment 4.2.3.2 GPIO Function 4.2.3.3 Chip Configuration Select (CONF) 4.3 Operating Modes 4.3.1 ON 4.3.2 OFF 4.4 I2C Communication 4.4.1 I2C Protocol 5 Register Definitions 5.1 Register Map 5.1.1 System 5.1.2 Buck1 5.1.3 Buck2 5.1.4 Serialization 6 Package Information 6.1 Package Outlines 6.2 Moisture Sensitivity Level 6.3 WLCSP Handling 6.4 Soldering Information 7 Ordering Information 8 Application Information 8.1 Capacitor Selection 8.2 Inductor Selection