Datasheet Si2312CDS (Vishay) - 7
| Hersteller | Vishay |
| Beschreibung | N-Channel 20 V (D-S) MOSFET |
| Seiten / Seite | 10 / 7 — Package Information. SOT-23 (TO-236): 3-LEAD. MILLIMETERS. INCHES. Dim. … |
| Dateiformat / Größe | PDF / 239 Kb |
| Dokumentensprache | Englisch |
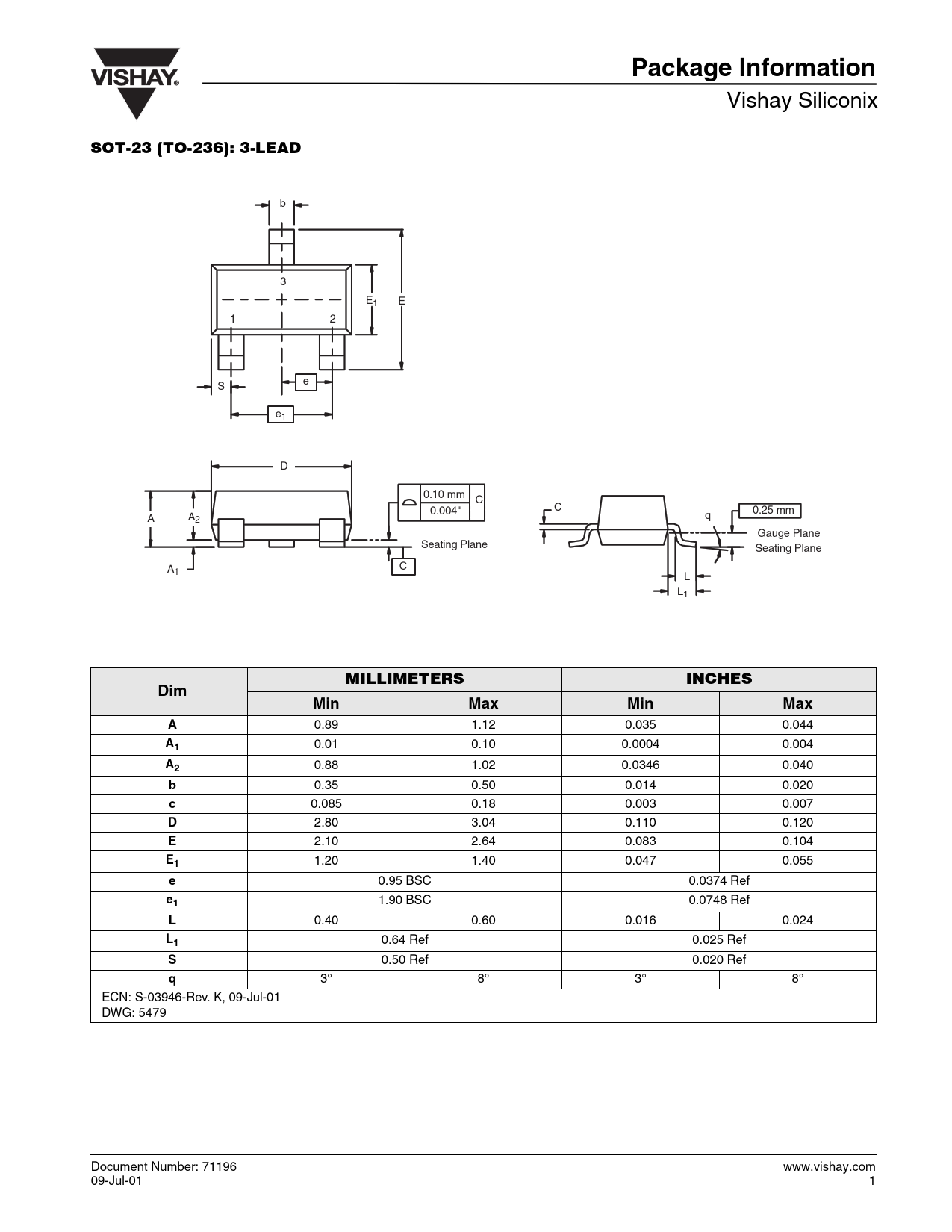
Package Information. SOT-23 (TO-236): 3-LEAD. MILLIMETERS. INCHES. Dim. Min. Max

Modelllinie für dieses Datenblatt
Textversion des Dokuments
Package Information
Vishay Siliconix
SOT-23 (TO-236): 3-LEAD
b 3 E1 E 1 2 S e e1 D 0.10 mm C 0.004" C 0.25 mm A A q 2 Gauge Plane Seating Plane Seating Plane A C 1 L L1
MILLIMETERS INCHES Dim Min Max Min Max A
0.89 1.12 0.035 0.044
A1
0.01 0.10 0.0004 0.004
A2
0.88 1.02 0.0346 0.040
b
0.35 0.50 0.014 0.020
c
0.085 0.18 0.003 0.007
D
2.80 3.04 0.110 0.120
E
2.10 2.64 0.083 0.104
E1
1.20 1.40 0.047 0.055
e
0.95 BSC 0.0374 Ref
e1
1.90 BSC 0.0748 Ref
L
0.40 0.60 0.016 0.024
L1
0.64 Ref 0.025 Ref
S
0.50 Ref 0.020 Ref
q
3° 8° 3° 8° ECN: S-03946-Rev. K, 09-Jul-01 DWG: 5479 Document Number: 71196 www.vishay.com 09-Jul-01 1