Datasheet KA2206B (Samsung) - 3

HerstellerSamsung
Beschreibung2.3W DUAL AUDIO POWER AMP
Seiten / Seite6 / 3 — KA2206B 2.3W DUAL AUDIO POWER AMP. APPLICATION INFORMATION. 1.Stereo …
Dateiformat / GrößePDF / 129 Kb
DokumentenspracheEnglisch

KA2206B 2.3W DUAL AUDIO POWER AMP. APPLICATION INFORMATION. 1.Stereo application. 2. Bridge application

KA2206B 2.3W DUAL AUDIO POWER AMP APPLICATION INFORMATION 1.Stereo application 2 Bridge application

Modelllinie für dieses Datenblatt

Textversion des Dokuments

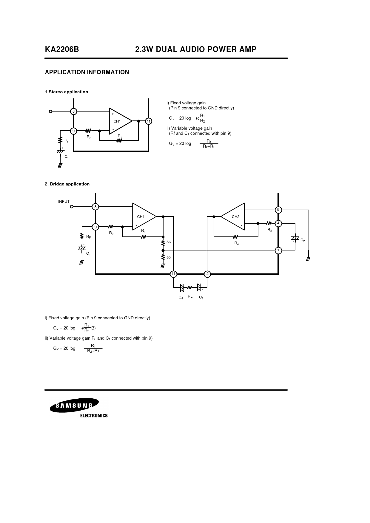
KA2206B 2.3W DUAL AUDIO POWER AMP APPLICATION INFORMATION 1.Stereo application
i) Fixed voltage gain (Pin 9 connected to GND directly) 8 + R G 1 V = 20 log (dB) CH1 11 R2 ii) Variable voltage gain 9 - (Rf and C1 connected with pin 9) R R 2 1 RF R G 1 V = 20 log (dB) + R2+RF C1
2. Bridge application
INPUT 8 + + 5 CH1 CH2 4 9 - - R R 1 3 R2 RF + C 5K 2 + R4 1 C1 50 11 2 + + C RL 4 C6 i) Fixed voltage gain (Pin 9 connected to GND directly) R G 1 V = 20 log + 6(dB) R2 ii) Variable voltage gain RF and C1 connected with pin 9) R G 1 V = 20 log + 6(dB) R2+RF Document Outline Features Absolute Maximum Ratings Block Diagram Application Circuit Package Dimension