Datasheet VLMU35CL..-280-120 (Vishay) - 5

HerstellerVishay
BeschreibungUVC Emitting Diode in SMD Package
Seiten / Seite7 / 5 — VLMU35CL..-280-120. TAPE AND REEL DIMENSIONS
Dateiformat / GrößePDF / 209 Kb
DokumentenspracheEnglisch

VLMU35CL..-280-120. TAPE AND REEL DIMENSIONS

VLMU35CL..-280-120 TAPE AND REEL DIMENSIONS

Modelllinie für dieses Datenblatt

Textversion des Dokuments

VLMU35CL..-280-120
www.vishay.com Vishay Semiconductors
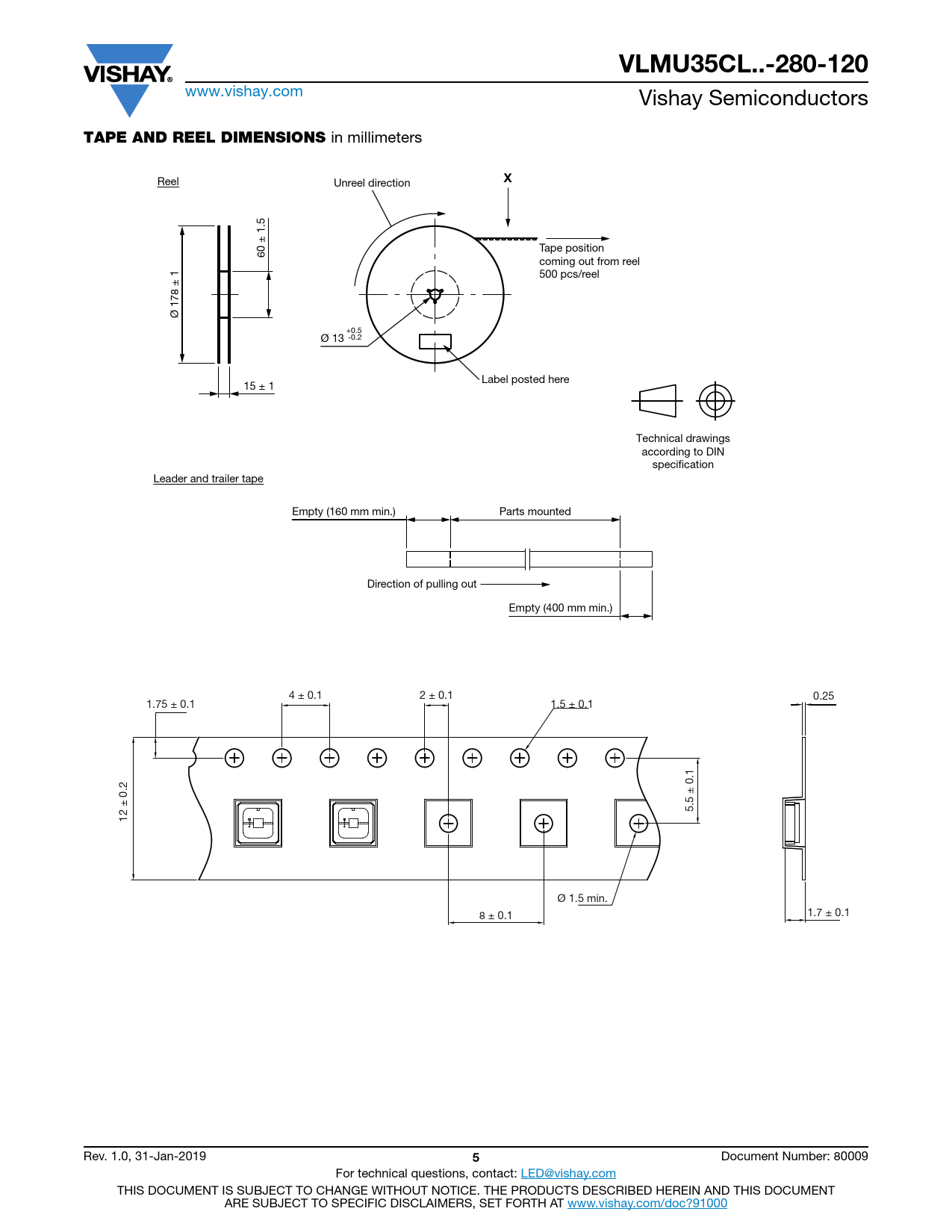
TAPE AND REEL DIMENSIONS
in millimeters
X
Reel Unreel direction Tape position 60 ± 1.5 coming out from reel 500 pcs/reel Ø 178 ± 1 +0.5 Ø 13 -0.2 Label posted here 15 ± 1 Technical drawings according to DIN specification Leader and trailer tape Empty (160 mm min.) Parts mounted Direction of pulling out Empty (400 mm min.) 4 ± 0.1 2 ± 0.1 0.25 1.75 ± 0.1 1.5 ± 0.1 5.5 ± 0.1 12 ± 0.2 Ø 1.5 min. 8 ± 0.1 1.7 ± 0.1 Rev. 1.0, 31-Jan-2019
5
Document Number: 80009 For technical questions, contact: LED@vishay.com THIS DOCUMENT IS SUBJECT TO CHANGE WITHOUT NOTICE. THE PRODUCTS DESCRIBED HEREIN AND THIS DOCUMENT ARE SUBJECT TO SPECIFIC DISCLAIMERS, SET FORTH AT www.vishay.com/doc?91000