Datasheet RClamp3324P (Semtech) - 6

HerstellerSemtech
BeschreibungLow Capacitance RClamp 4-Line ESD protection
Seiten / Seite8 / 6 — Outline Drawing - SGP2510P8. Land Pattern - SGP2510P8. RClamp3324P. 6 of …
Dateiformat / GrößePDF / 776 Kb
DokumentenspracheEnglisch

Outline Drawing - SGP2510P8. Land Pattern - SGP2510P8. RClamp3324P. 6 of 8. Final Datasheet. Rev 6.1. Semtech. Revision Date

Outline Drawing - SGP2510P8 Land Pattern - SGP2510P8 RClamp3324P 6 of 8 Final Datasheet Rev 6.1 Semtech Revision Date

Modelllinie für dieses Datenblatt

Textversion des Dokuments

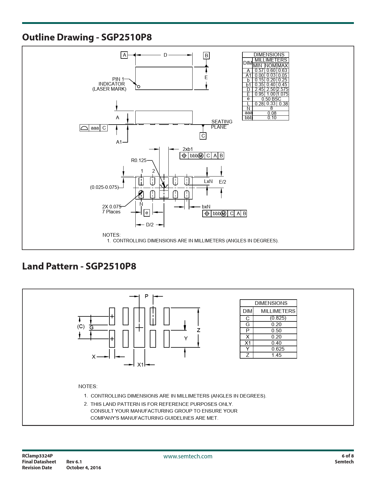
Outline Drawing - SGP2510P8
A D B DIMENSIONS DIM MILLIMETERS MIN NOM MAX A 0.57 0.60 0.63 E A1 0.00 0.03 0.05 PIN 1 b 0.15 0.20 0.25 INDICATOR b1 0.35 0.40 0.45 (LASER MARK) D 2.45 2.50 2.575 E 0.95 1.00 1.075 e 0.50 BSC L 0.28 0.33 0.38 N 8 aaa 0.08 A bbb 0.10 SEATING aaa C PLANE C A1 2xb1 bbb C A B R0.125 1 2 LxN E/2 (0.025-0.075) N 2X 0.075 bxN 7 Places e bbb C A B D/2 NOTES: 1. CONTROLLING DIMENSIONS ARE IN MILLIMETERS (ANGLES IN DEGREES).
Land Pattern - SGP2510P8
P DIMENSIONS DIM MILLIMETERS C (0.825) G 0.20 (C) G Z P 0.50 X 0.20 Y X1 0.40 Y 0.625 Z 1.45 X X1 NOTES: 1. CONTROLLING DIMENSIONS ARE IN MILLIMETERS (ANGLES IN DEGREES). 2. THIS LAND PATTERN IS FOR REFERENCE PURPOSES ONLY. CONSULT YOUR MANUFACTURING GROUP TO ENSURE YOUR COMPANY'S MANUFACTURING GUIDELINES ARE MET.
RClamp3324P
www.semtech.com
6 of 8 Final Datasheet Rev 6.1 Semtech Revision Date October 4, 2016