Datasheet ACS780xLR (Allegro) - 4

HerstellerAllegro
BeschreibungHigh-Precision Linear Hall-Effect-Based Current Sensor IC With 200 μΩ Current Conductor
Seiten / Seite25 / 4 — High-Precision Linear Hall-Effect-Based. ACS780xLR. Current Sensor IC …
Dateiformat / GrößePDF / 2.7 Mb
DokumentenspracheEnglisch

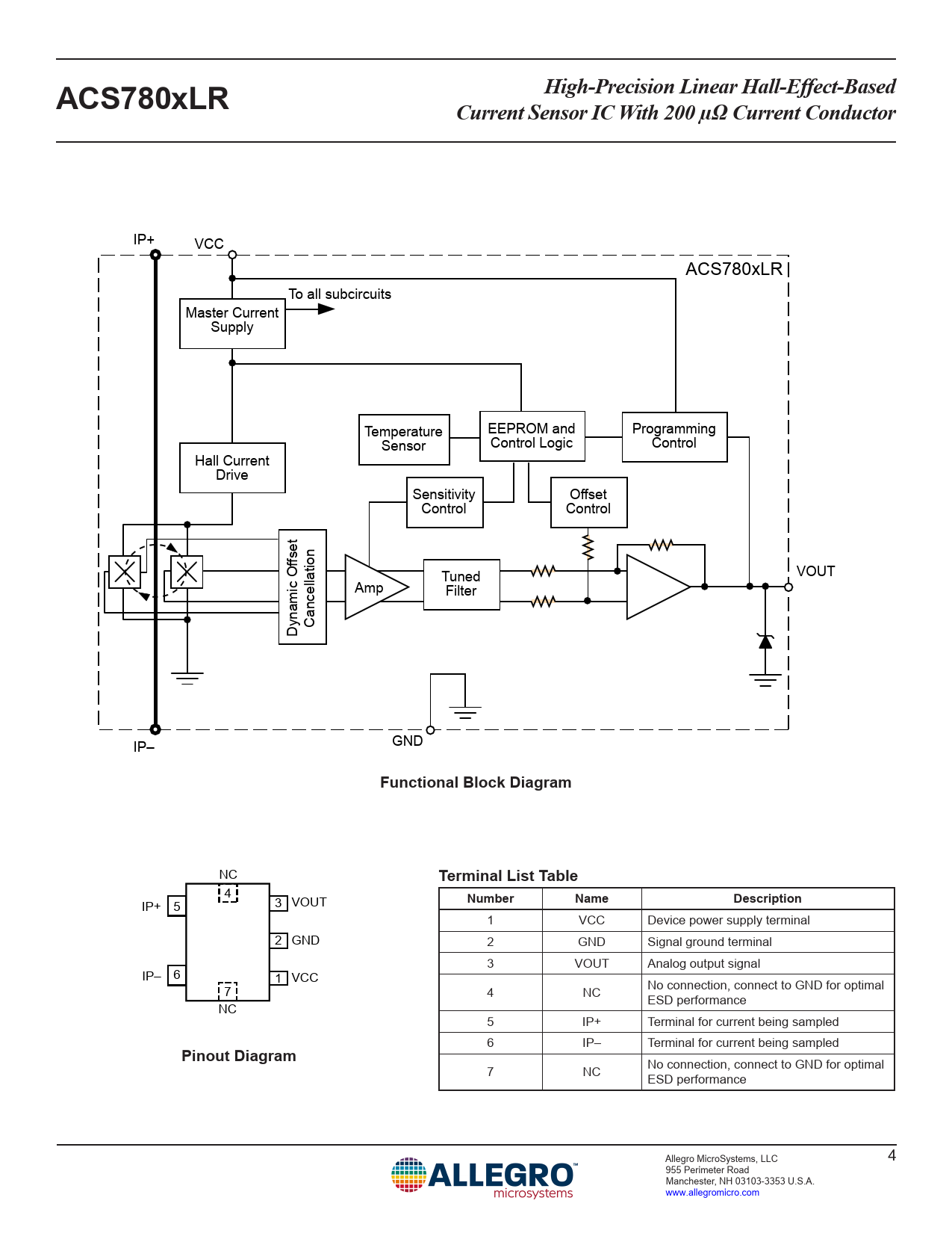
High-Precision Linear Hall-Effect-Based. ACS780xLR. Current Sensor IC With 200 µΩ Current Conductor. Functional Block Diagram

High-Precision Linear Hall-Effect-Based ACS780xLR Current Sensor IC With 200 µΩ Current Conductor Functional Block Diagram

Modelllinie für dieses Datenblatt

Textversion des Dokuments

High-Precision Linear Hall-Effect-Based ACS780xLR Current Sensor IC With 200 µΩ Current Conductor
IP+ VCC ACS780xLR To all subcircuits Master Current Supply Temperature EEPROM and Programming Sensor Control Logic Control Hall Current Drive Sensitivity Offset Control Control fset VOUT Tuned Amp Filter Cancellation Dynamic Of GND IP–
Functional Block Diagram
NC
Terminal List Table
4 IP+ 5 3 VOUT
Number Name Description
1 VCC Device power supply terminal 2 GND 2 GND Signal ground terminal 3 VOUT Analog output signal IP– 6 1 VCC 7 4 NC No connection, connect to GND for optimal ESD performance NC 5 IP+ Terminal for current being sampled 6 IP– Terminal for current being sampled
Pinout Diagram
7 NC No connection, connect to GND for optimal ESD performance Allegro MicroSystems, LLC 4 955 Perimeter Road Manchester, NH 03103-3353 U.S.A. www.allegromicro.com