Datasheet A80602, A80602-1 (Allegro) - 4
| Hersteller | Allegro |
| Beschreibung | High Power LED Driver with Pre-Emptive Boost for Ultra-High Dimming Ratio and Low Output Ripple |
| Seiten / Seite | 37 / 4 — A80602 and. High Power LED Driver with Pre-Emptive Boost. A80602-1 for … |
| Dateiformat / Größe | PDF / 4.5 Mb |
| Dokumentensprache | Englisch |
A80602 and. High Power LED Driver with Pre-Emptive Boost. A80602-1 for Ultra-High Dimming Ratio and Low Output Ripple. A80602

Modelllinie für dieses Datenblatt
Textversion des Dokuments
A80602 and High Power LED Driver with Pre-Emptive Boost A80602-1 for Ultra-High Dimming Ratio and Low Output Ripple
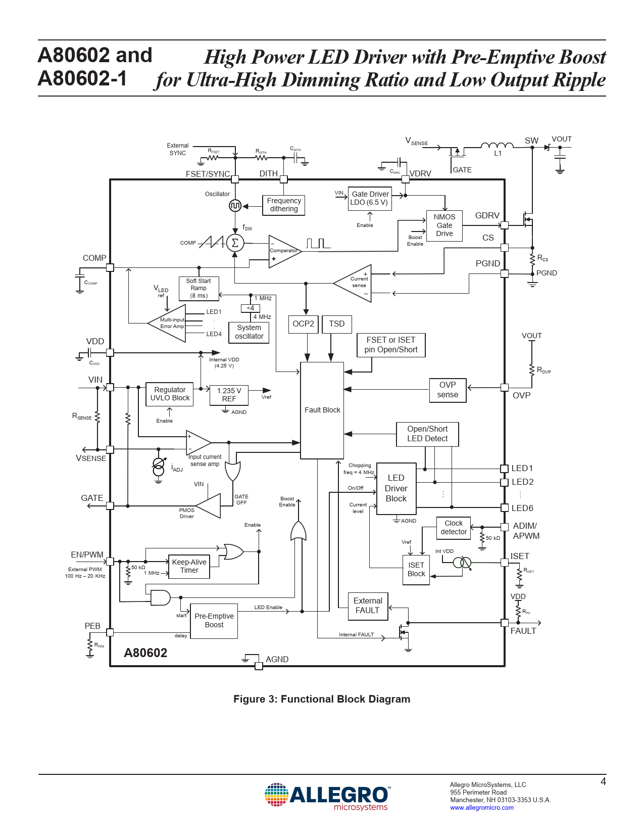
VSENSE SW VOUT External C SYNC RFSET R DITH DITH L1 FSET/SYNC C GATE DRV DITH VDRV Oscillator VIN Gate Driver Frequency LDO (6.5 V) dithering NMOS GDRV Enable f Gate SW Drive Boost CS COMP Enable Comparator COMP RCS PGND PGND Current C Soft Start COMP sense VLED Ramp ref (8 ms) 1 MHz ÷4 LED1 Multi-input . 4 MHz Error Amp . OCP2 TSD System LED4 oscillator VOUT VDD FSET or ISET pin Open/Short Internal VDD CVDD (4.25 V) ROVP VIN Regulator OVP 1.235 V UVLO Block REF Vref sense OVP AGND Fault Block RSENSE Enable Open/Short + LED Detect VSENSE Input current sense amp i Chopping ADJ LED1 freq = 4 MHz LED VIN LED2 On/Off Driver GATE GATE ... Boost Block ... OFF Enable Current PMOS level LED6 Driver AGND Enable Clock ADIM/ detector 50 kΩ APWM Vref Int VDD EN/PWM ISET Keep-Alive 50 kΩ ISET External PWM 1 MHz Timer 100 Hz – 20 KHz Block RISET VDD External LED Enable FAULT RPU start Pre-Emptive PEB Boost delay Internal FAULT FAULT RPEB
A80602
AGND
Figure 3: Functional Block Diagram
Allegro MicroSystems, LLC 4 955 Perimeter Road Manchester, NH 03103-3353 U.S.A. www.allegromicro.com Document Outline Features and Benefits Description Applications Package Selection Guide Absolute Maximum Ratings Thermal Characteristics Typical Application – SEPIC Functional Block Diagram Pinout Diagram and Terminal List Electrical Characteristics Functional Description Enabling the IC Powering Up: LED Detection Phase Powering Up: Boost Output Undervoltage Soft Start Function Frequency Selection Synchronization Loss of External Sync Signal Switching Frequency Dithering LED Current Setting PWM Dimming Pre-Emptive Boost (PEB) Analog Dimming ADIM Mode APWM Mode Extending LED Dimming Ratio Analog Dimming with External Voltage VDD VDRV Shutdown Fault Detection and Protection FAULT Status LED String Partial-Short Detect Overvoltage Protection Boost Switch Overcurrent Protection Input Overcurrent Protection and Disconnect Switch Setting the Input Current Sense Resistor Input UVLO Fault Protection During Operation Package Outline Drawing Appendix: External MOSFET Selection Guide