Datasheet H1012NL, H1086NL, HX1148NL (Pulse Electronics) - 2
| Hersteller | Pulse Electronics |
| Beschreibung | 10/100 Base-T Single Port Transformer Modules With 1:1 Transmit Turns Ratios |
| Seiten / Seite | 3 / 2 — Schematic. H1012NL, H1086NL, HX1148NL. Typical Application Circuits |
| Dateiformat / Größe | PDF / 716 Kb |
| Dokumentensprache | Englisch |
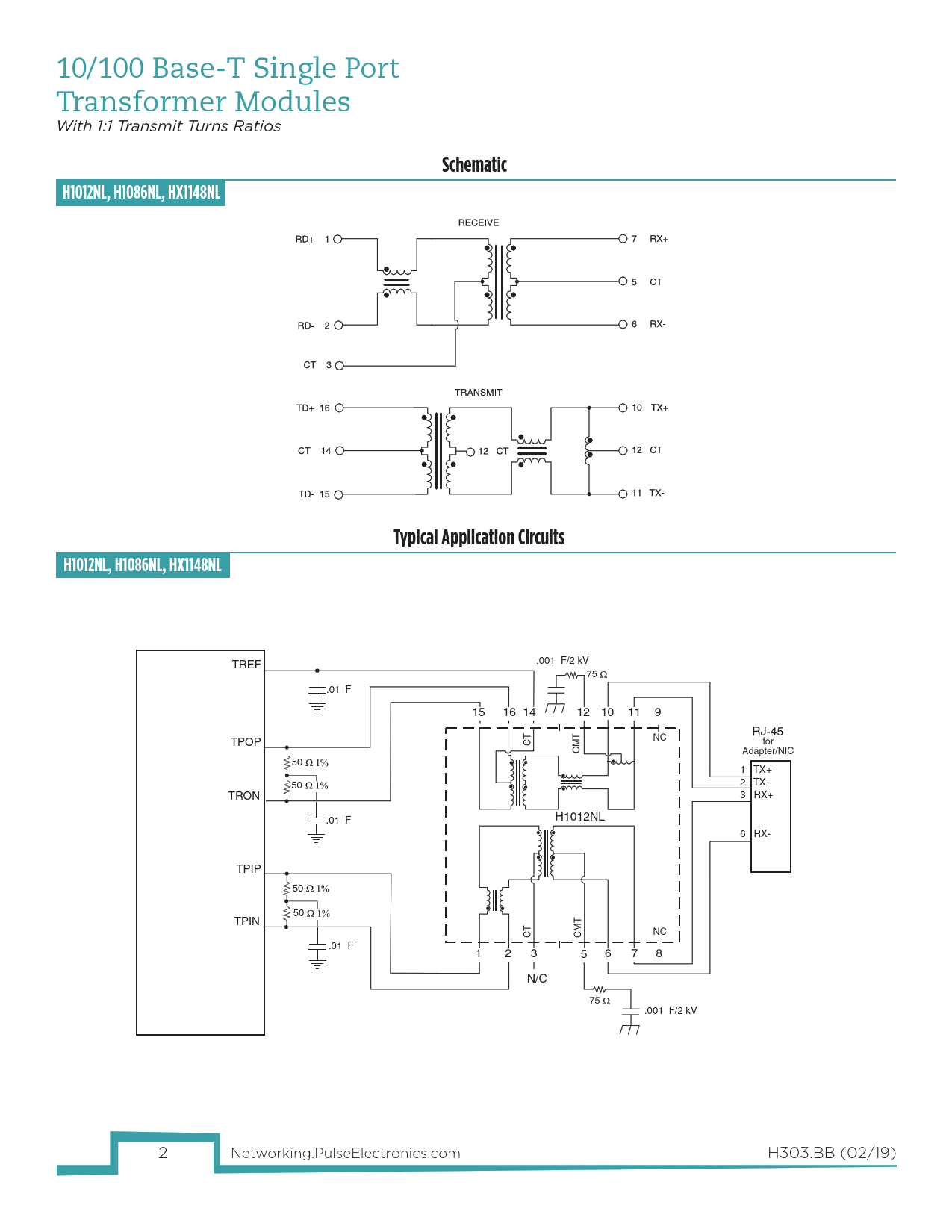
Schematic. H1012NL, H1086NL, HX1148NL. Typical Application Circuits

Modelllinie für dieses Datenblatt
Textversion des Dokuments
10/100 Base-T Single Port Transformer Modules With 1:1 Transmit Turns Ratios
Schematic H1012NL, H1086NL, HX1148NL Typical Application Circuits H1012NL, H1086NL, HX1148NL
TREF .001 F/2 kV 75 .01 F 15 16 14 12 10 11 9 RJ-45 TPOP CT NC for CMT Adapter/NIC 50 1 TX+ 2 TX- 50 TRON 3 RX+ H1012NL .01 F 6 RX- TPIP 50 50 TPIN CT CMT NC .01 F 1 2 3 5 6 7 8 N/C 75 .001 F/2 kV 2 Networking.PulseElectronics.com H303.BB (02/19)