Datasheet IRLL110, SiHLL110 (Vishay) - 8

HerstellerVishay
BeschreibungPower MOSFET
Seiten / Seite9 / 8 — Package Information. SOT-223 (HIGH VOLTAGE). MILLIMETERS. INCHES. DIM. …
Dateiformat / GrößePDF / 364 Kb
DokumentenspracheEnglisch

Package Information. SOT-223 (HIGH VOLTAGE). MILLIMETERS. INCHES. DIM. MIN. MAX. Notes

Package Information SOT-223 (HIGH VOLTAGE) MILLIMETERS INCHES DIM MIN MAX Notes

Modelllinie für dieses Datenblatt

Textversion des Dokuments

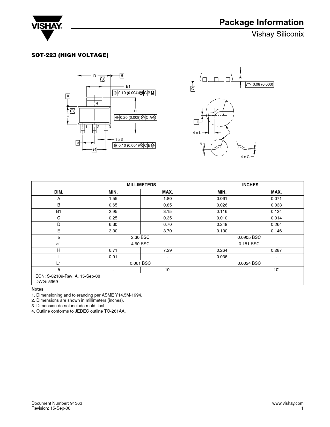
Package Information
Vishay Siliconix
SOT-223 (HIGH VOLTAGE)
D B A 3 0.08 (0.003) B1 C 0.10 (0.004) M C C B M A 4 3 H E 0.20 (0.008) M C A M L1 1 2 3 4 x L 3 x B e θ 0.10 (0.004) M C B M e1 4 x C
MILLIMETERS INCHES DIM. MIN. MAX. MIN. MAX.
A 1.55 1.80 0.061 0.071 B 0.65 0.85 0.026 0.033 B1 2.95 3.15 0.116 0.124 C 0.25 0.35 0.010 0.014 D 6.30 6.70 0.248 0.264 E 3.30 3.70 0.130 0.146 e 2.30 BSC 0.0905 BSC e1 4.60 BSC 0.181 BSC H 6.71 7.29 0.264 0.287 L 0.91 - 0.036 - L1 0.061 BSC 0.0024 BSC θ - 10' - 10' ECN: S-82109-Rev. A, 15-Sep-08 DWG: 5969
Notes
1. Dimensioning and tolerancing per ASME Y14.5M-1994. 2. Dimensions are shown in millimeters (inches). 3. Dimension do not include mold flash. 4. Outline conforms to JEDEC outline TO-261AA. Document Number: 91363 www.vishay.com Revision: 15-Sep-08 1