Datasheet MxL7213 (MaxLinear) - 2
| Hersteller | MaxLinear | 
| Beschreibung | Dual 13A Power Module | 
| Seiten / Seite | 4 / 2 — Figure 3: Functional Block Diagram | 
| Dateiformat / Größe | PDF / 554 Kb | 
| Dokumentensprache | Englisch | 
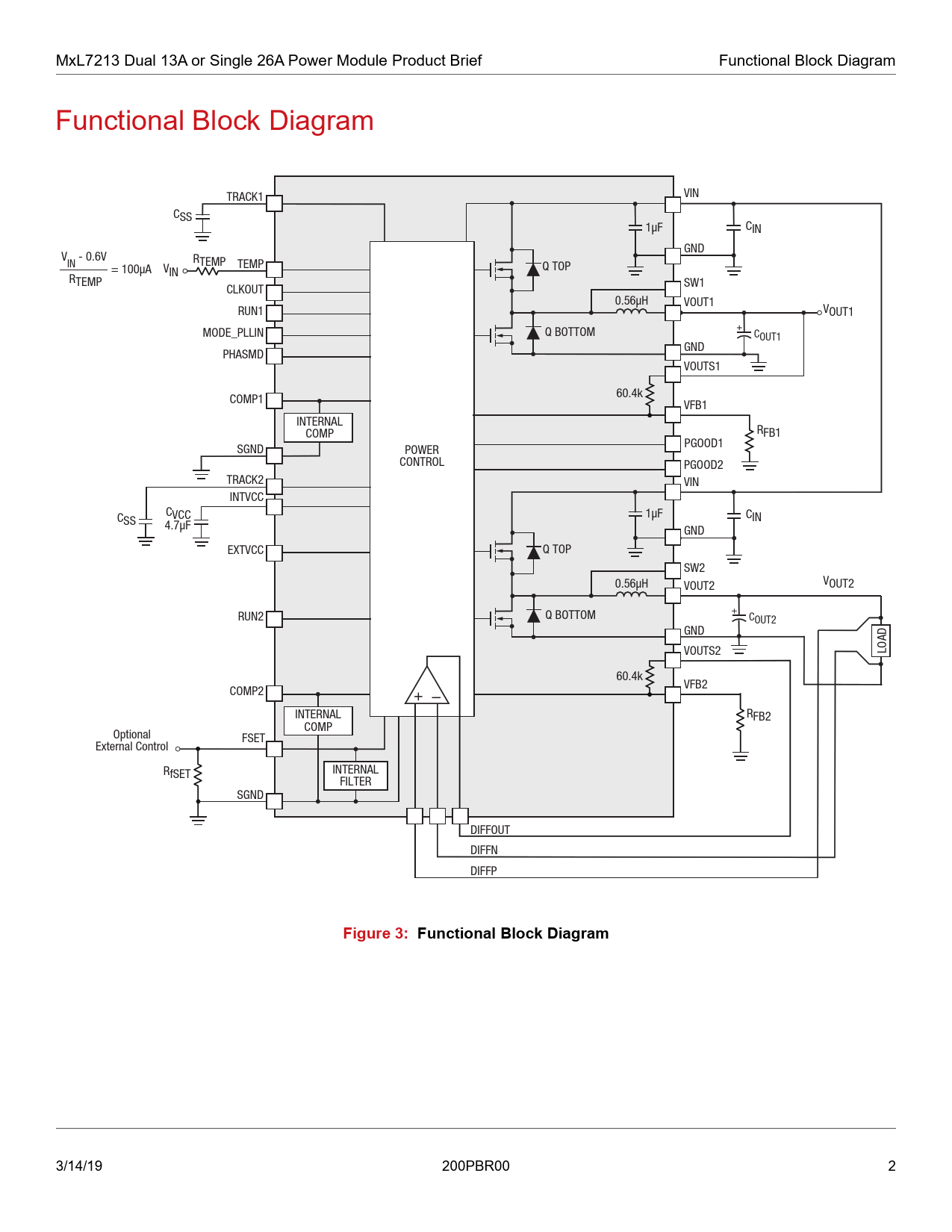
Figure 3: Functional Block Diagram

Modelllinie für dieses Datenblatt
Textversion des Dokuments
MxL7213 Dual 13A or Single 26A Power Module Product Brief Functional Block Diagram Functional Block Diagram TRACK1 VIN CSS 1μF CIN GND V R IN - 0.6V TEMP TEMP = 100μA V Q TOP IN RTEMP CLKOUT SW1 0.56μH VOUT1 RUN1 VOUT1 MODE_PLLIN Q BOTTOM COUT1 PHASMD GND VOUTS1 COMP1 60.4k VFB1 INTERNAL R COMP FB1 SGND POWER PGOOD1 CONTROL PGOOD2 TRACK2 VIN INTVCC C C VCC SS 1μF CIN 4.7μF GND EXTVCC Q TOP SW2 0.56μH VOUT2 VOUT2 RUN2 Q BOTTOM COUT2 GND VOUTS2 LOAD 60.4k COMP2 VFB2 + – INTERNAL RFB2 COMP Optional FSET External Control R INTERNAL fSET FILTER SGND DIFFOUT DIFFN DIFFP
Figure 3: Functional Block Diagram
3/14/19 200PBR00 2 Document Outline General Description Applications Functional Block Diagram Typical Application Pin Configuration Ordering Information