Datasheet DGTD120T40S1PT (Diodes) - 8
| Hersteller | Diodes |
| Beschreibung | 1200V Field Stop IGBT |
| Seiten / Seite | 9 / 8 — DGTD120T40S1PT. Package Outline Dimensions. TO-247 (Type MC). TO-247. … |
| Dateiformat / Größe | PDF / 1.1 Mb |
| Dokumentensprache | Englisch |
DGTD120T40S1PT. Package Outline Dimensions. TO-247 (Type MC). TO-247. Dim. Min. Max. Typ. All Dimensions in mm. www.diodes.com

Modelllinie für dieses Datenblatt
Textversion des Dokuments
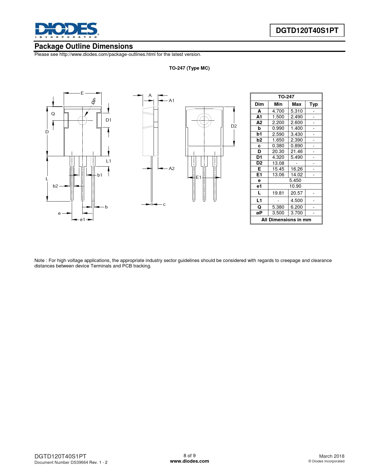
DGTD120T40S1PT Package Outline Dimensions
Please see http://www.diodes.com/package-outlines.html for the latest version.
TO-247 (Type MC)
E A
TO-247
ØP A1
Dim Min Max Typ A
4.700 5.310 - Q
A1
1.500 2.490 - D1
A2
2.200 2.600 - D2
b
0.990 1.400 - D
b1
2.590 3.430 -
b2
1.650 2.390 -
c
0.380 0.890 -
D
20.30 21.46 -
D1
4.320 5.490 - L1
D2
13.08 - - A2
E
15.45 16.26 - b1
E1
13.06 14.02 - L E1
e
5.450 b2
e1
10.90
L
19.81 20.57 -
L1
- 4.500 - b c
Q
5.380 6.200 - e
øP
3.500 3.700 - e1
All Dimensions in mm
Note : For high voltage applications, the appropriate industry sector guidelines should be considered with regards to creepage and clearance distances between device Terminals and PCB tracking. DGTD120T40S1PT 8 of 9 March 2018 Document Number DS39664 Rev. 1 - 2
www.diodes.com
© Diodes Incorporated