Datasheet FRH20A10 (Kyocera) - 6
| Hersteller | Kyocera |
| Beschreibung | Schottky Barrier Diode |
| Seiten / Seite | 7 / 6 |
| Revision | 02 |
| Dateiformat / Größe | PDF / 755 Kb |
| Dokumentensprache | Englisch |

Modelllinie für dieses Datenblatt
Textversion des Dokuments
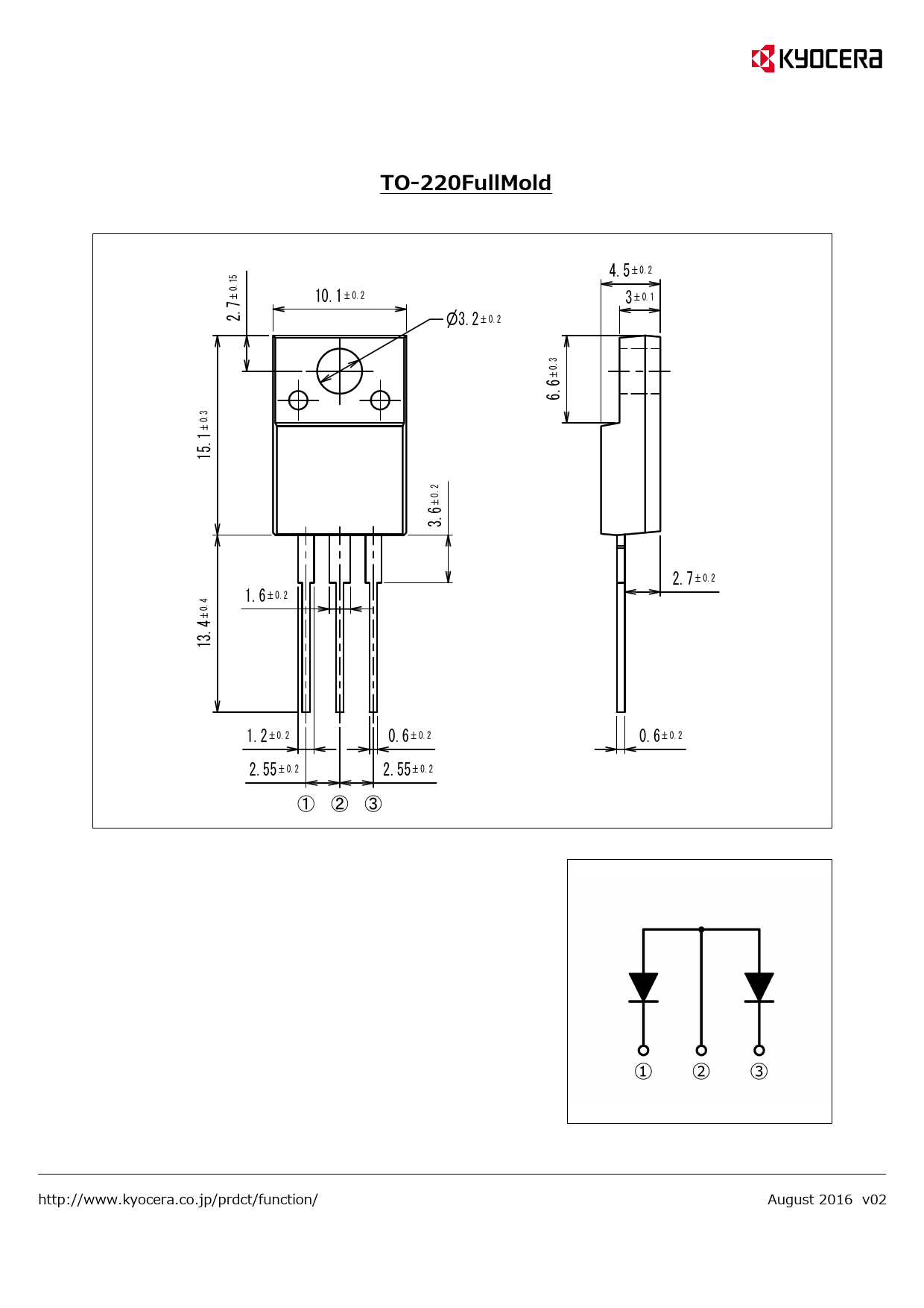
0.15 TO-220FullMold 2.7 10.1 0.2 0.2 3 0.1 0.2 2.7 1.6 0.2 1.2 0.2 0.2 13.4 0.4 3.6 0.2 15.1 0.3 6.6 0.3 3.2 4.5 2.55 0.2 http://www.kyocera.co.jp/prdct/function/ 0.6 0.2 2.55 0.2 0.6 0.2 August 2016 v02