Datasheet X9312 (Intersil) - 8
| Hersteller | Intersil |
| Beschreibung | Digitally Controlled Potentiometer (XDCP) |
| Seiten / Seite | 9 / 8 — X9312. PACKAGING INFORMATION. 8-Lead Plastic Small Outline Gull Wing … |
| Dateiformat / Größe | PDF / 247 Kb |
| Dokumentensprache | Englisch |
X9312. PACKAGING INFORMATION. 8-Lead Plastic Small Outline Gull Wing Package Type S. FOOTPRINT

Modelllinie für dieses Datenblatt
Textversion des Dokuments
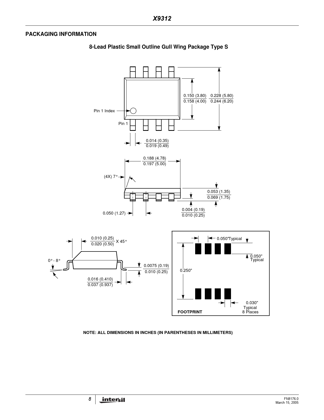
X9312 PACKAGING INFORMATION 8-Lead Plastic Small Outline Gull Wing Package Type S
0.150 (3.80) 0.228 (5.80) 0.158 (4.00) 0.244 (6.20) Pin 1 Index Pin 1 0.014 (0.35) 0.019 (0.49) 0.188 (4.78) 0.197 (5.00) (4X) 7° 0.053 (1.35) 0.069 (1.75) 0.004 (0.19) 0.050 (1.27) 0.010 (0.25) 0.010 (0.25) 0.050"Typical X 45° 0.020 (0.50) 0.050" 0° - 8° Typical 0.0075 (0.19) 0.010 (0.25) 0.250" 0.016 (0.410) 0.037 (0.937) 0.030" Typical
FOOTPRINT
8 Places
NOTE: ALL DIMENSIONS IN INCHES (IN PARENTHESES IN MILLIMETERS)
8 FN8176.0 March 15, 2005