Datasheet LTC3785 (Analog Devices) - 7
| Hersteller | Analog Devices |
| Beschreibung | 10V, High Efficiency, Synchronous, No RSENSE Buck-Boost Controller |
| Seiten / Seite | 20 / 7 — LTC3785. block. DiagraM. VIN. 2.7V. TO. 10V. 24. V. 1.225V. +. IN. FAULT. … |
| Dateiformat / Größe | PDF / 287 Kb |
| Dokumentensprache | Englisch |
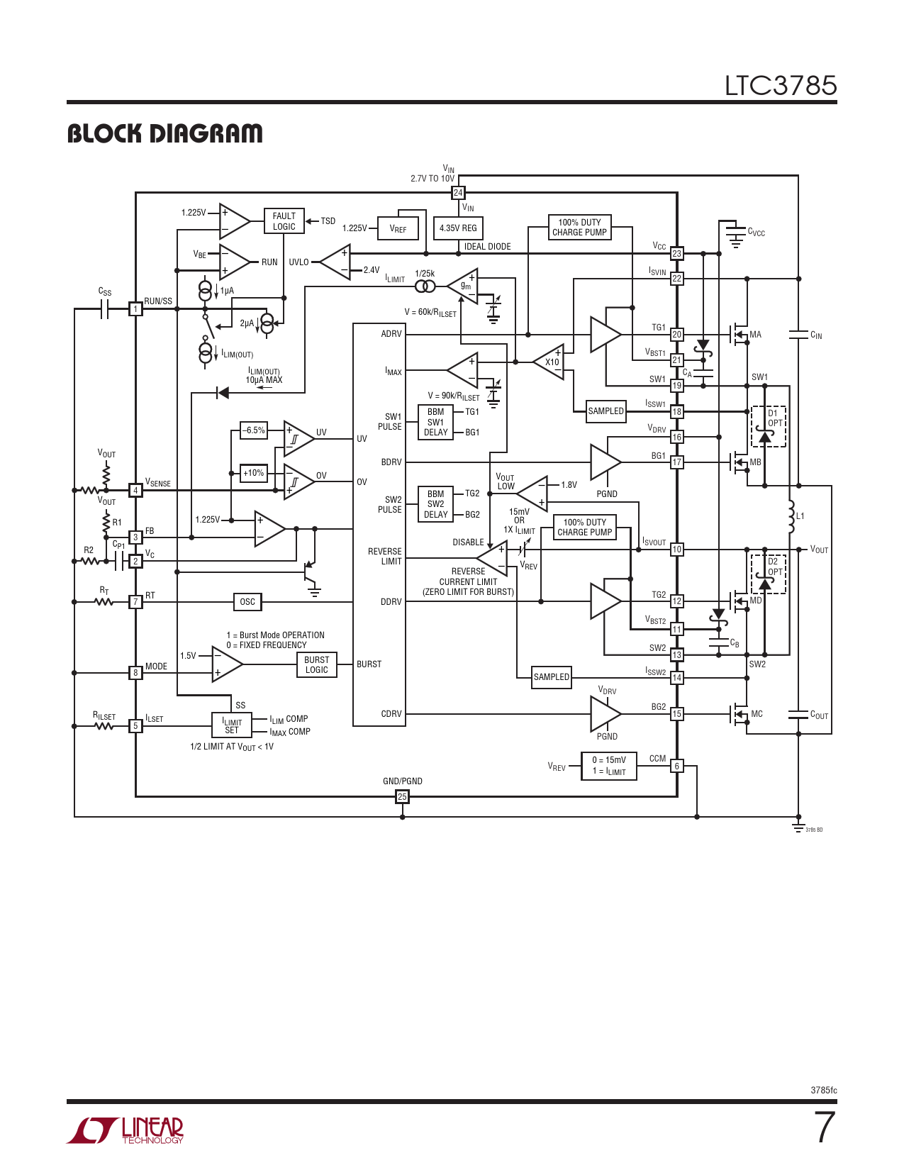
LTC3785. block. DiagraM. VIN. 2.7V. TO. 10V. 24. V. 1.225V. +. IN. FAULT. TSD. –. LOGIC. 100%. DUTY. 1.225V. VREF. 4.35V. REG. CHARGE. PUMP. CVCC. –. IDEAL. DIODE. VCC. VBE. +. 23. +

Modelllinie für dieses Datenblatt
Textversion des Dokuments
LTC3785 block DiagraM VIN 2.7V TO 10V 24 V 1.225V + IN FAULT TSD – LOGIC 100% DUTY 1.225V VREF 4.35V REG CHARGE PUMP CVCC – IDEAL DIODE VCC VBE + 23 + RUN UVLO – 2.4V 1/25k I I SVIN LIMIT + 22 gm C 1µA SS – RUN/SS 1 V = 60k/RILSET 2µA TG1 ADRV 20 MA CIN ILIM(OUT) + V + BST1 X10 21 ILIM(OUT) IMAX – C 10µA MAX – A SW1 SW1 19 V = 90k/RILSET ISSW1 BBM TG1 SAMPLED 18 D1 SW1 SW1 OPT –6.5% PULSE + UV DELAY BG1 VDRV UV 16 – VOUT BG1 BDRV 17 MB +10% – OV VOUT – VSENSE OV LOW 1.8V 4 + BBM TG2 + PGND VOUT SW2 PULSE SW2 15mV DELAY BG2 1.225V R1 + OR L1 100% DUTY FB 1X ILIMIT CHARGE PUMP 3 – C DISABLE P1 + ISVOUT R2 V 10 V C REVERSE 2 LIMIT – OUT D2 V REVERSE REV OPT CURRENT LIMIT RT RT (ZERO LIMIT FOR BURST) TG2 7 OSC DDRV 12 MD VBST2 11 1 = Burst Mode OPERATION 0 = FIXED FREQUENCY CB – SW2 1.5V BURST 13 MODE BURST SW2 + LOGIC I 8 SAMPLED SSW2 14 VDRV SS BG2 R CDRV 15 MC C ILSET ILSET I I OUT LIMIT LIM COMP 5 SET IMAX COMP PGND 1/2 LIMIT AT VOUT < 1V 0 = 15mV CCM VREV 1 = I 6 LIMIT GND/PGND 25 3785 BD 3785fc Document Outline Features Applications Description Typical Application Absolute Maximum Ratings Pin Configuration Order Information Electrical Characteristics Typical Performance Characteristics Pin Functions Block Diagram Operation Applications Information Typical Application Package Description Revision History Typical Application Related Parts