Datasheet LTC1876 (Analog Devices) - 10
| Hersteller | Analog Devices |
| Beschreibung | High Efficiency, 2-Phase, Dual Synchronous Step-Down Switching Controller and Step-Up Regulator |
| Seiten / Seite | 36 / 10 — FUNCTIONAL DIAGRA. Figure 2 |
| Dateiformat / Größe | PDF / 372 Kb |
| Dokumentensprache | Englisch |
FUNCTIONAL DIAGRA. Figure 2

Modelllinie für dieses Datenblatt
Textversion des Dokuments
LTC1876
U U W FUNCTIONAL DIAGRA
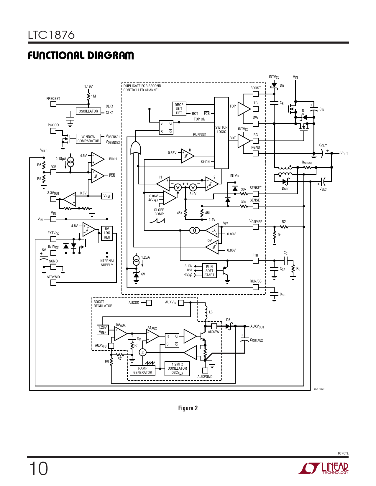
INTVCC VIN DUPLICATE FOR SECOND D 1.19V B BOOST CONTROLLER CHANNEL 1M FREQSET TG CB CLK1 DROP TOP + OUT CIN OSCILLATOR D CLK2 1 DET BOT FCB SW TOP ON S Q PGOOD SWITCH INTVCC R Q LOGIC V RUN/SS1 BG WINDOW OSENSE1 BOT COMPARATOR VOSENSE2 C PGND OUT+ VSEC B 0.55V + V 4.5V – OUT 0.18µA BINH – + SHDN RSENSE R6 FCB + FCB INTVCC R5 – I1 I2 + – – + + – + – + SENSE+ D 30k SEC CSEC 3.3VOUT 0.8V 3mV + VREF 0.86V 4(V SENSE– – FB) 30k SLOPE VIN COMP 45k 45k VIN 2.4V VOSENSE R2 VFB 4.8V + – 5V EA EXTV – CC LDO + 0.80V R1 REG OV + INTVCC 5V – 0.86V + C I C TH 1.2µA SGND INTERNAL SUPPLY SHDN RUN C R RST SOFT C2 C 6V 4(VFB) START STBYMD RUN/SS CSS BOOST AUXSD AUXVIN REGULATOR L3 D5 EAAUX 1.26V A1 AUXVOUT + AUX VREF – AUXSW + – R Q CC + COUTAUX S Q AUXV R FB C + Σ – R7 R8 1.2MHz RAMP OSCILLATOR GENERATOR OSCAUX AUXPGND 1876 FD/F02
Figure 2
1876fa 10