Datasheet LTC3708 (Analog Devices) - 10

HerstellerAnalog Devices
BeschreibungFast 2-Phase, No RSENSE Buck Controller with Output Tracking
Seiten / Seite34 / 10 — FUNCTIONAL DIAGRAM
Dateiformat / GrößePDF / 667 Kb
DokumentenspracheEnglisch

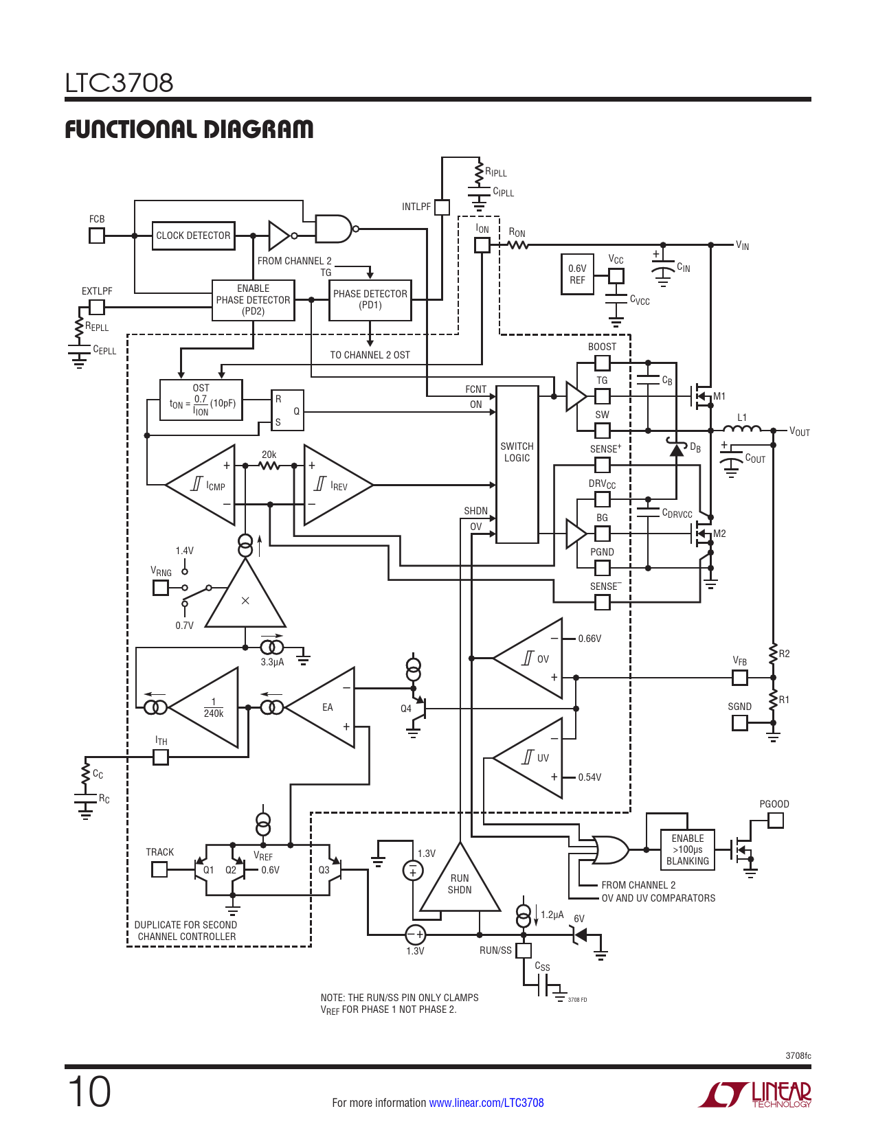
FUNCTIONAL DIAGRAM

FUNCTIONAL DIAGRAM

Modelllinie für dieses Datenblatt

Textversion des Dokuments

LTC3708
FUNCTIONAL DIAGRAM
RIPLL CIPLL INTLPF FCB I CLOCK DETECTOR ON RON VIN + FROM CHANNEL 2 VCC TG 0.6V CIN REF EXTLPF ENABLE PHASE DETECTOR PHASE DETECTOR (PD1) CVCC (PD2) REPLL C BOOST EPLL TO CHANNEL 2 OST TG C OST B FCNT M1 t 0.7 R ON = (10pF) ON IION Q SW S L1 VOUT SWITCH SENSE+ D + 20k B + + LOGIC COUT ICMP IREV DRVCC – – SHDN BG CDRVCC OV M2 1.4V PGND VRNG SENSE– × 0.7V – 0.66V R2 OV 3.3µA + VFB – 1 R1 EA Q4 SGND 240k + – ITH UV C + C 0.54V RC PGOOD ENABLE TRACK >100µs VREF – 1.3V BLANKING Q1 Q2 0.6V Q3 + RUN FROM CHANNEL 2 SHDN OV AND UV COMPARATORS 1.2µA 6V DUPLICATE FOR SECOND CHANNEL CONTROLLER –+ 1.3V RUN/SS CSS NOTE: THE RUN/SS PIN ONLY CLAMPS 3708 FD VREF FOR PHASE 1 NOT PHASE 2. 3708fc 10 For more information www.linear.com/LTC3708 Document Outline Features Description Applications Typical Application Absolute Maximum Ratings Pin Configuration Electrical Characteristics Typical Performance Characteristics Pin Functions Operation Applications Information Package Description Typical Application Related Parts