Datasheet LTC3727A-1 (Analog Devices) - 9
| Hersteller | Analog Devices |
| Beschreibung | High Efficiency, 2-Phase Synchronous Step-Down Switching Regulators |
| Seiten / Seite | 32 / 9 — FUNCTIONAL DIAGRAM. Figure 2 |
| Dateiformat / Größe | PDF / 341 Kb |
| Dokumentensprache | Englisch |
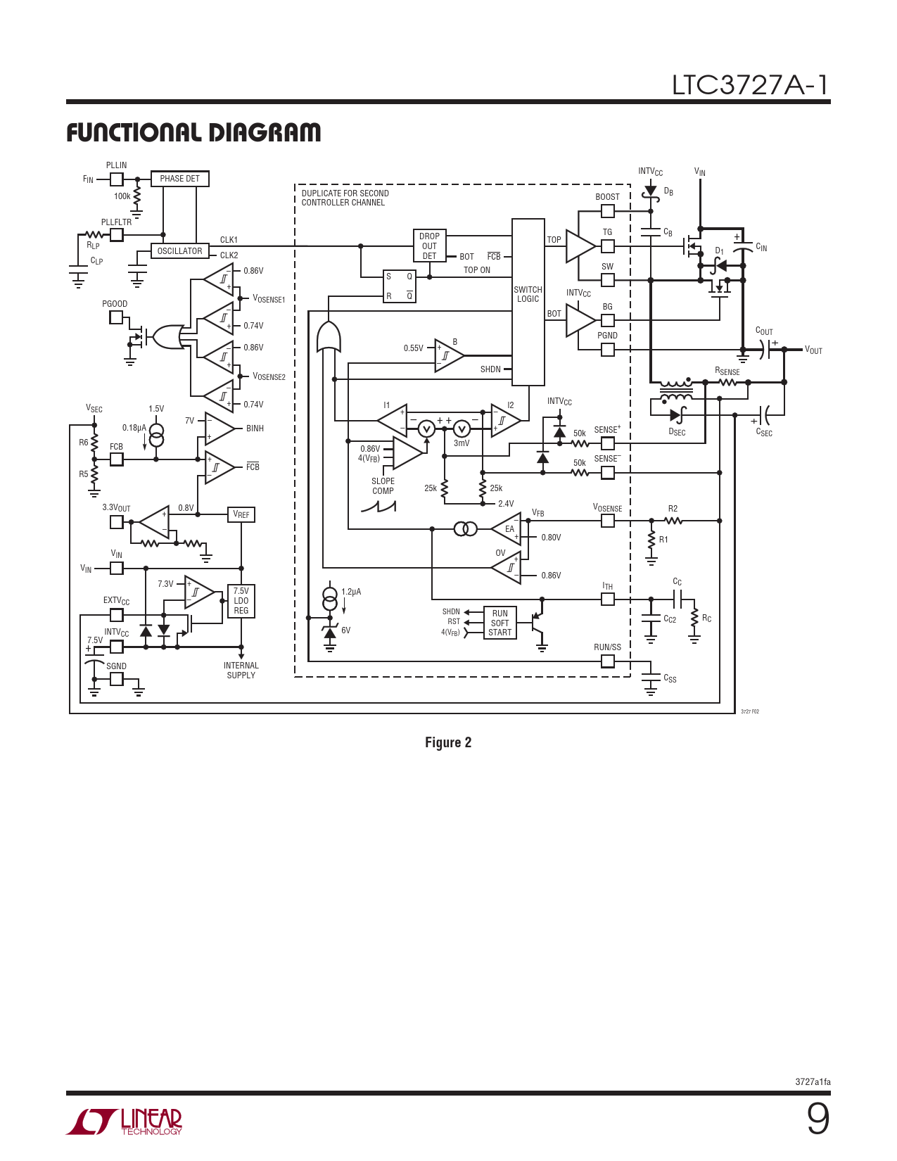
FUNCTIONAL DIAGRAM. Figure 2

Modelllinie für dieses Datenblatt
Textversion des Dokuments
LTC3727A-1
FUNCTIONAL DIAGRAM
PLLIN INTVCC VIN FIN PHASE DET D DUPLICATE FOR SECOND B 100k BOOST CONTROLLER CHANNEL PLLFLTR TG CB CLK1 DROP TOP + RLP OUT CIN OSCILLATOR D CLK2 1 C DET BOT FCB LP SW – 0.86V TOP ON S Q + SWITCH INTVCC V R Q OSENSE1 LOGIC PGOOD BG – BOT + 0.74V C PGND OUT+ B – 0.86V 0.55V + VOUT + – SHDN RSENSE VOSENSE2 – INTV + CC V 0.74V I1 I2 SEC 1.5V + – 7V – – + + – + 0.18μA BINH – + SENSE+ D 50k SEC C + SEC R6 FCB 3mV 0.86V + 4(VFB) SENSE– 50k FCB R5 – SLOPE COMP 25k 25k 3.3V 2.4V OUT 0.8V VOSENSE R2 + VREF VFB – – EA + 0.80V R1 VIN OV + VIN – 0.86V 7.3V + C I C 7.5V TH 1.2μA EXTV – CC LDO REG SHDN RUN C R RST SOFT C2 C INTVCC 6V 4(VFB) START 7.5V + RUN/SS SGND INTERNAL SUPPLY CSS 3727 F02
Figure 2
3727a1fa 9