Datasheet LTC3417A (Analog Devices) - 7
| Hersteller | Analog Devices |
| Beschreibung | Dual Synchronous 1.5A/1A 4MHz Step-Down DC/DC Regulator |
| Seiten / Seite | 22 / 7 — FuncTional DiagraM. 1.5A REGULATOR. 1A REGULATOR |
| Dateiformat / Größe | PDF / 324 Kb |
| Dokumentensprache | Englisch |
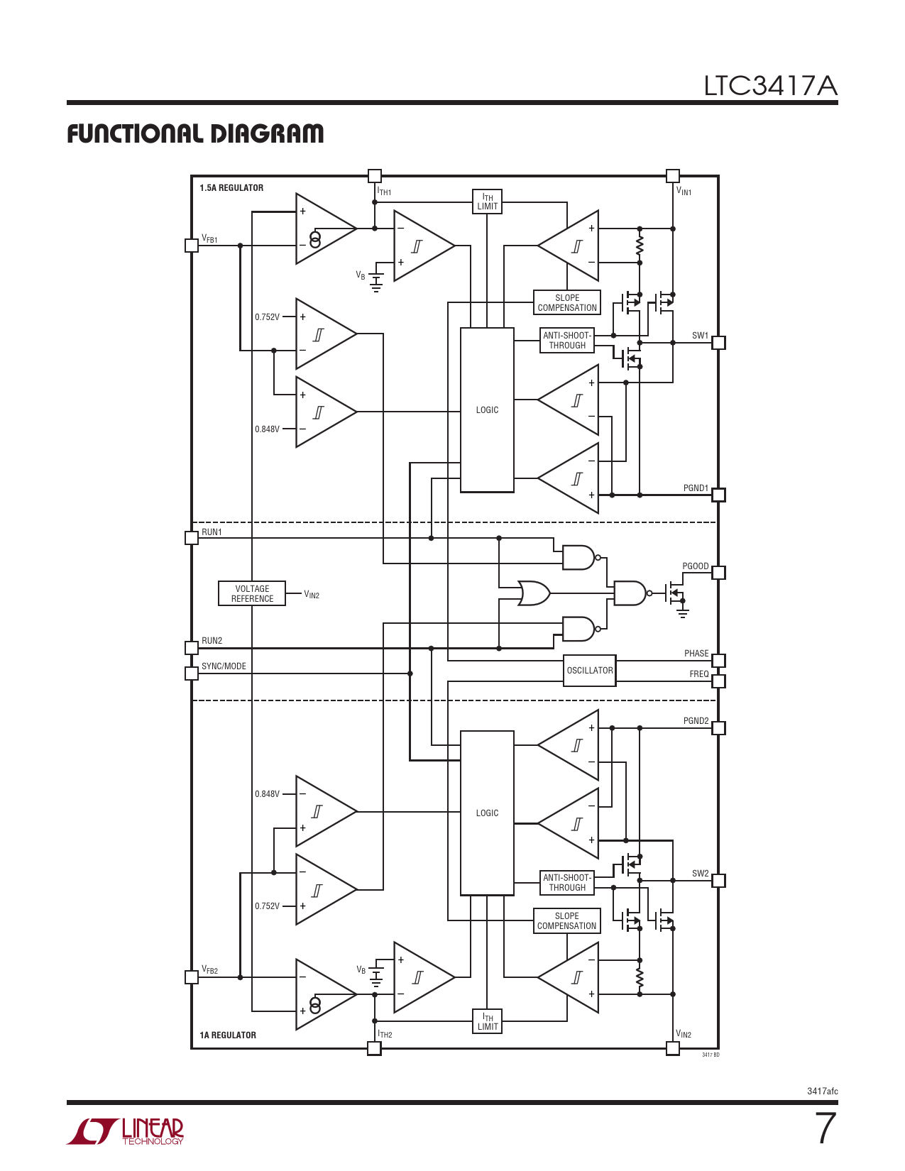
FuncTional DiagraM. 1.5A REGULATOR. 1A REGULATOR

Modelllinie für dieses Datenblatt
Textversion des Dokuments
LTC3417A
FuncTional DiagraM 1.5A REGULATOR
ITH1 V I IN1 TH + LIMIT – + VFB1 – + – VB SLOPE COMPENSATION 0.752V + ANTI-SHOOT- SW1 – THROUGH + + LOGIC – 0.848V – – PGND1 + RUN1 PGOOD VOLTAGE VIN2 REFERENCE RUN2 PHASE SYNC/MODE OSCILLATOR FREQ + PGND2 – – 0.848V – + LOGIC + – SW2 ANTI-SHOOT- THROUGH + 0.752V SLOPE COMPENSATION – + VFB2 – VB + – + ITH LIMIT
1A REGULATOR
ITH2 VIN2 3417 BD 3417afc 7 Document Outline Features Description Applications Typical Application Absolute Maximum Ratings Pin Configuration Electrical Characteristics Typical Performance Characteristics Pin Functions Functional Diagram Operation Applications Information Package Description Revision History Related Parts