Datasheet ADP2323 (Analog Devices) - 3
| Hersteller | Analog Devices |
| Beschreibung | Dual 3 A, 20 V Synchronous Step-Down Regulator with Integrated High-Side MOSFET |
| Seiten / Seite | 32 / 3 — Data Sheet. ADP2323. FUNCTIONAL BLOCK DIAGRAM. UVLO. PVIN1. 1.2V. … |
| Revision | A |
| Dateiformat / Größe | PDF / 992 Kb |
| Dokumentensprache | Englisch |
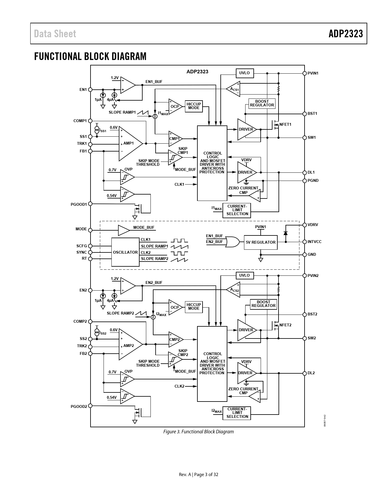
Data Sheet. ADP2323. FUNCTIONAL BLOCK DIAGRAM. UVLO. PVIN1. 1.2V. EN1_BUF. EN1. ACS1–. 1µA. 4µA. BOOST. HICCUP. OCP. REGULATOR. MODE. SLOPE RAMP1. I1MAX

Modelllinie für dieses Datenblatt
Textversion des Dokuments
Data Sheet ADP2323 FUNCTIONAL BLOCK DIAGRAM ADP2323 UVLO PVIN1 1.2V EN1_BUF + EN1 ACS1– 1µA 4µA + BOOST HICCUP OCP REGULATOR MODE SLOPE RAMP1 – I1MAX BST1 Σ COMP1 NFET1 0.6V ISS1 + DRIVER + SS1 + SW1 CMP1 TRK1 AMP1 + – SKIP FB1 – – CMP1 CONTROL LOGIC SKIP MODE AND MOSFET VDRV + THRESHOLD DRIVER WITH ANTICROSS 0.7V OVP MODE_BUF – PROTECTION DRIVER DL1 PGND + CLK1 ZERO CURRENT – – CMP 0.54V + + PGOOD1 I1 CURRENT- MAX LIMIT SELECTION PVIN1 VDRV MODE MODE_BUF EN1_BUF CLK1 EN2_BUF 5V REGULATOR INTVCC SCFG SLOPE RAMP1 SYNC OSCILLATOR CLK2 GND RT SLOPE RAMP2 UVLO PVIN2 1.2V EN2_BUF + EN2 ACS2– 1µA 4µA + BOOST HICCUP OCP REGULATOR MODE SLOPE RAMP2 – I2MAX BST2 Σ COMP2 NFET2 0.6V DRIVER ISS2 + + SS2 + SW2 CMP2 – TRK2 AMP2 + SKIP FB2 – – CMP2 CONTROL LOGIC SKIP MODE AND MOSFET VDRV THRESHOLD + DRIVER WITH ANTICROSS 0.7V OVP MODE_BUF PROTECTION DRIVER DL2 – + CLK2 ZERO CURRENT – CMP – 0.54V + + PGOOD2 I2 CURRENT- MAX LIMIT SELECTION
42 0 7- 35 09 Figure 3. Functional Block Diagram Rev. A | Page 3 of 32 Document Outline Features Applications Typical Application Circuit General Description Revision History Functional Block Diagram Specifications Absolute Maximum Ratings Thermal Resistance Boundary Condition ESD Caution Pin Configuration and Function Descriptions Typical Performance Characteristics Theory of Operation Control Scheme PWM Mode PFM Mode Precision Enable/Shutdown Separate Input Voltages Internal Regulator (INTVCC) Bootstrap Circuitry Low-Side Driver Oscillator Synchronization Soft Start Peak Current-Limit and Short-Circuit Protection Voltage Tracking Parallel Operation Power Good Overvoltage Protection Undervoltage Lockout Thermal Shutdown Applications Information ADIsimPower Design Tool Input Capacitor Selection Output Voltage Setting Voltage Conversion Limitations Current-Limit Setting Inductor Selection Output Capacitor Selection Low-Side Power Device Selection Programming UVLO Input Compensation Components Design Design Example Output Voltage Setting Current-Limit Setting Frequency Setting Inductor Selection Output Capacitor Selection Low-Side MOSFET Selection Compensation Components Soft Start Time Programming Input Capacitor Selection External Components Recommendation Typical Application Circuits Outline Dimensions Ordering Guide