Datasheet LT1115 (Analog Devices) - 10
| Hersteller | Analog Devices |
| Beschreibung | Ultra-Low Noise, Low Distortion, Audio Op Amp |
| Seiten / Seite | 16 / 10 — TYPICAL APPLICATIO S. Figure 2. Low Noise DC Accurate x 10 Buffered Line … |
| Dateiformat / Größe | PDF / 252 Kb |
| Dokumentensprache | Englisch |
TYPICAL APPLICATIO S. Figure 2. Low Noise DC Accurate x 10 Buffered Line Amplifier. THD + Noise vs Frequency (Figure 2)

Modelllinie für dieses Datenblatt
Textversion des Dokuments
LT1115
U TYPICAL APPLICATIO S
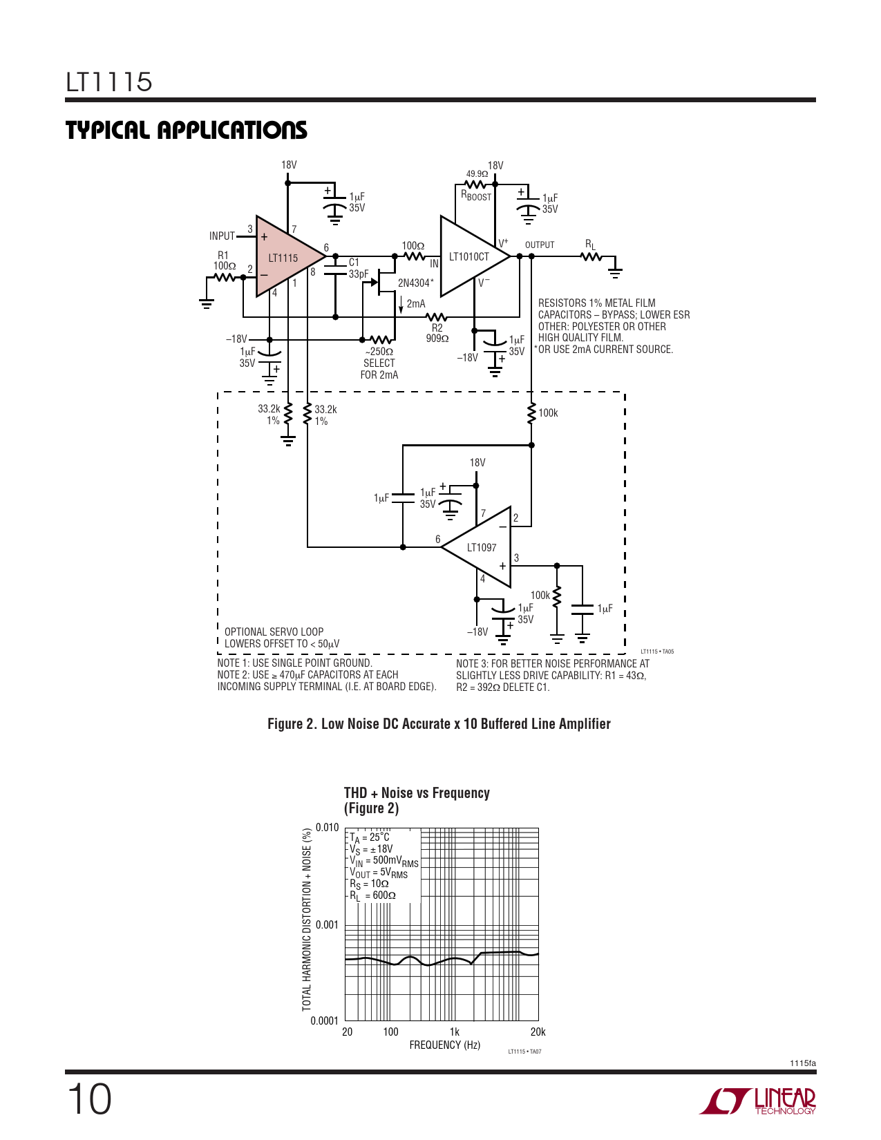
18V 18V 49.9Ω + + 1µF RBOOST 1µF 35V 35V 3 7 INPUT + 100 6 Ω V+ OUTPUT RL R1 LT1115 LT1010CT C1 IN 100Ω 2 – 8 33pF 1 2N4304* V – 4 2mA RESISTORS 1% METAL FILM CAPACITORS – BYPASS; LOWER ESR R2 OTHER: POLYESTER OR OTHER –18V 909Ω 1µF HIGH QUALITY FILM. 1µF ~250Ω + 35V *OR USE 2mA CURRENT SOURCE. –18V 35V + SELECT FOR 2mA 33.2k 33.2k 100k 1% 1% 18V + 1µF 1µF 35V 7 – 2 6 LT1097 + 3 4 100k 1µF 1µF + 35V OPTIONAL SERVO LOOP –18V LOWERS OFFSET TO < 50µV LT1115 • TA05 NOTE 1: USE SINGLE POINT GROUND. NOTE 3: FOR BETTER NOISE PERFORMANCE AT NOTE 2: USE ≥ 470µF CAPACITORS AT EACH SLIGHTLY LESS DRIVE CAPABILITY: R1 = 43Ω, INCOMING SUPPLY TERMINAL (I.E. AT BOARD EDGE). R2 = 392Ω DELETE C1.
Figure 2. Low Noise DC Accurate x 10 Buffered Line Amplifier THD + Noise vs Frequency (Figure 2)
0.010 TA = 25°C VS = ±18V VIN = 500mVRMS VOUT = 5VRMS RS = 10Ω RL = 600Ω 0.001 TOTAL HARMONIC DISTORTION + NOISE (%) 0.0001 20 100 1k 20k FREQUENCY (Hz) LT1115 • TA07 1115fa 10