Datasheet LT3800 (Analog Devices) - 7
| Hersteller | Analog Devices |
| Beschreibung | High-Voltage Synchronous Current Mode Step-Down Controller |
| Seiten / Seite | 24 / 7 — FUNCTIONAL DIAGRAM |
| Dateiformat / Größe | PDF / 265 Kb |
| Dokumentensprache | Englisch |
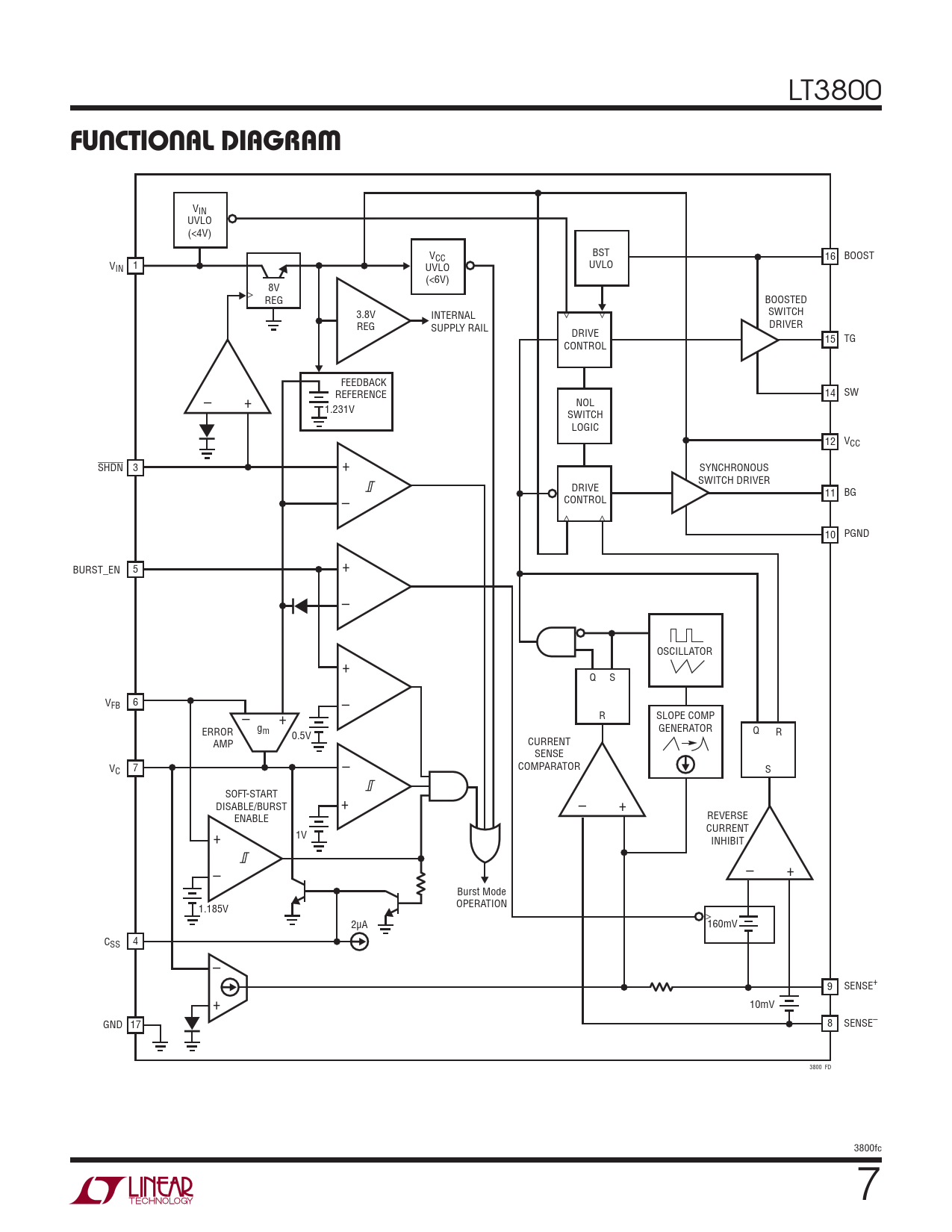
FUNCTIONAL DIAGRAM

Modelllinie für dieses Datenblatt
Textversion des Dokuments
LT3800
FUNCTIONAL DIAGRAM
VIN UVLO (<4V) BST VCC 16 BOOST V 1 UVLO IN UVLO (<6V) 8V REG BOOSTED 3.8V INTERNAL SWITCH REG SUPPLY RAIL DRIVER DRIVE 15 TG CONTROL FEEDBACK REFERENCE 14 SW – + NOL 1.231V DRIVE SWITCH CONTROL LOGIC 12 VCC + SHDN 3 SYNCHRONOUS SWITCH DRIVER – DRIVE 11 BG CONTROL 10 PGND + BURST_EN 5 – OSCILLATOR + Q S – V 6 FB R SLOPE COMP – + ERROR g GENERATOR m 0.5V Q R AMP CURRENT – SENSE V 7 COMPARATOR C S SOFT-START + DISABLE/BURST – + ENABLE REVERSE + CURRENT 1V INHIBIT – – + Burst Mode 1.185V OPERATION 2μA 160mV C 4 SS – 9 SENSE+ + 10mV GND 17 8 SENSE– 3800 FD 3800fc 7 Document Outline FEATURES DESCRIPTION APPLICATIONS TYPICAL APPLICATION ABSOLUTE MAXIMUM RATINGS PIN CONFIGURATION ORDER INFORMATION ELECTRICAL CHARACTERISTICS TYPICAL PERFORMANCE CHARACTERISTICS PIN FUNCTIONS FUNCTIONAL DIAGRAM APPLICATIONS INFORMATION TYPICAL APPLICATIONS PACKAGE DESCRIPTION REVISION HISTORY TYPICAL APPLICATION RELATED PARTS