Datasheet LT3724 (Analog Devices) - 8
| Hersteller | Analog Devices |
| Beschreibung | High Voltage, Current Mode Switching Regulator Controller |
| Seiten / Seite | 26 / 8 — FUNCTIONAL DIAGRAM |
| Dateiformat / Größe | PDF / 322 Kb |
| Dokumentensprache | Englisch |
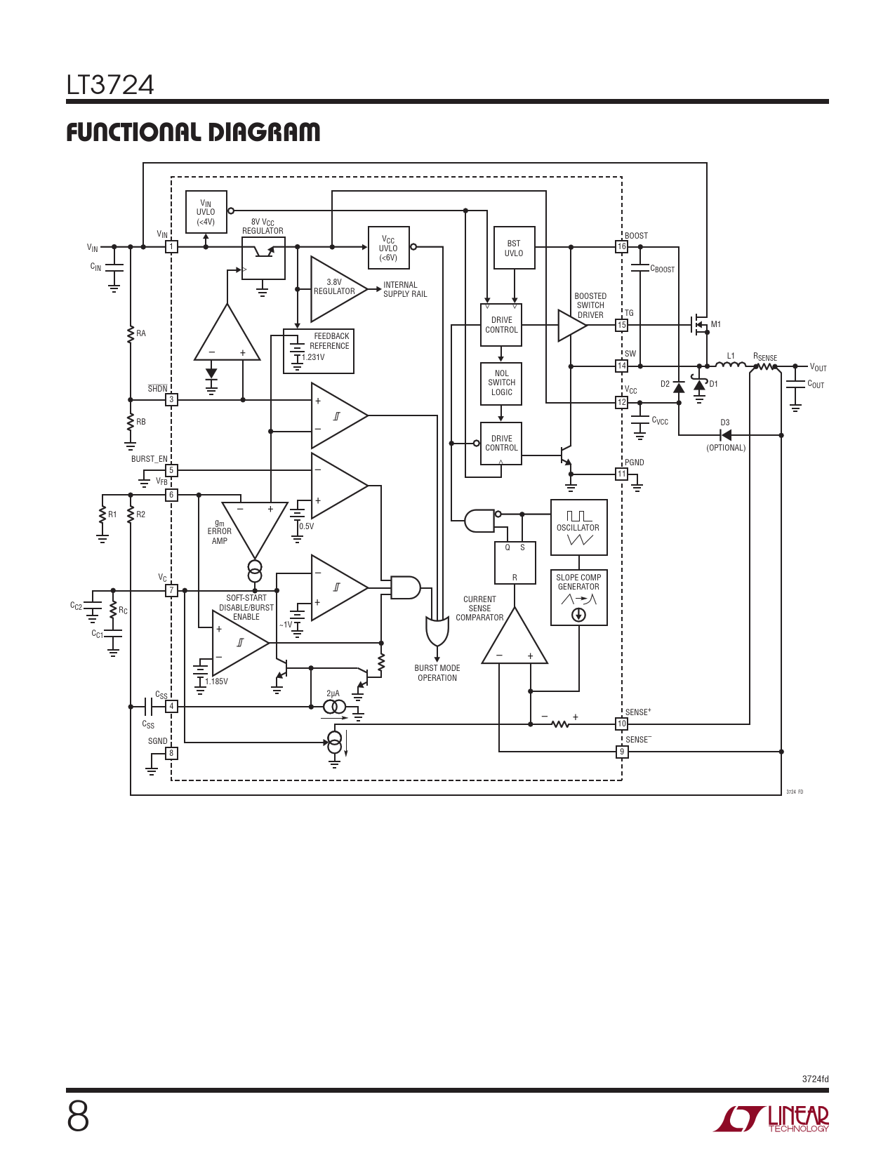
FUNCTIONAL DIAGRAM

Modelllinie für dieses Datenblatt
Textversion des Dokuments
LT3724
FUNCTIONAL DIAGRAM
VIN UVLO (<4V) 8V VCC REGULATOR VIN V BOOST CC BST V 1 IN UVLO 16 UVLO (<6V) CIN CBOOST 3.8V INTERNAL REGULATOR SUPPLY RAIL BOOSTED SWITCH TG DRIVER DRIVE 15 M1 CONTROL RA FEEDBACK – + REFERENCE 1.231V SW L1 RSENSE 14 V NOL OUT SWITCH D2 D1 C SHDN OUT + LOGIC VCC 3 12 RB – CVCC D3 DRIVE CONTROL (OPTIONAL) BURST_EN – PGND 5 11 VFB 6 + – + R1 R2 gm 0.5V OSCILLATOR ERROR AMP Q S – VC R SLOPE COMP 7 GENERATOR SOFT-START + CURRENT CC2 DISABLE/BURST R SENSE C + ENABLE COMPARATOR ~1V CC1 – – + BURST MODE 1.185V OPERATION CSS 2µA 4 SENSE+ – + CSS 10 SGND SENSE– 8 9 3724 FD 3724fd 8