Datasheet LT3975 (Analog Devices) - 9
| Hersteller | Analog Devices | 
| Beschreibung | 42V, 2.5A, 2MHz Step-Down Switching Regulator with 2.7µA Quiescent Current | 
| Seiten / Seite | 24 / 9 — BLOCK DIAGRAM | 
| Dateiformat / Größe | PDF / 295 Kb | 
| Dokumentensprache | Englisch | 
BLOCK DIAGRAM

Modelllinie für dieses Datenblatt
Textversion des Dokuments
LT3975
BLOCK DIAGRAM
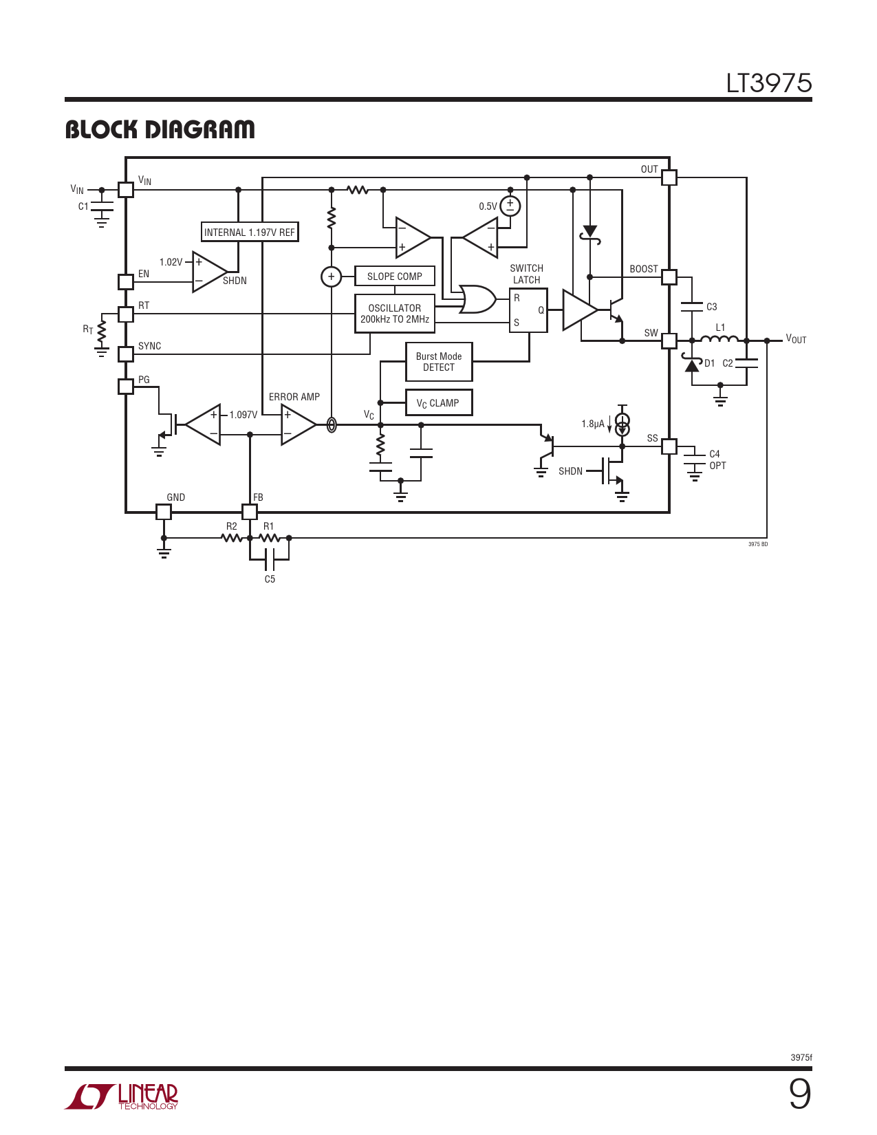
OUT VIN VIN C1 0.5V + – – – INTERNAL 1.197V REF + + 1.02V + EN SWITCH BOOST SLOPE COMP – SHDN + LATCH R RT OSCILLATOR C3 Q 200kHz TO 2MHz R S T SW L1 VOUT SYNC Burst Mode DETECT D1 C2 PG ERROR AMP V + 1.097V + C CLAMP VC 1.8µA – – SS C4 SHDN OPT GND FB R2 R1 3975 BD C5 3975f 9 Document Outline FEATURES DESCRIPTION APPLICATIONS TYPICAL APPLICATION ABSOLUTE MAXIMUM RATINGS PIN CONFIGURATION ORDER INFORMATION ELECTRICAL CHARACTERISTICS TYPICAL PERFORMANCE CHARACTERISTICS PIN FUNCTIONS BLOCK DIAGRAM OPERATION APPLICATIONS INFORMATION TYPICAL APPLICATIONS PACKAGE DESCRIPTION TYPICAL APPLICATION RELATED PARTS