Datasheet LTC3630A (Analog Devices) - 8
| Hersteller | Analog Devices |
| Beschreibung | High Efficiency, 76V 500mA Synchronous Step-Down Converter |
| Seiten / Seite | 26 / 8 — block DiagraM. VPRG2 VPRG1. VOUT |
| Dateiformat / Größe | PDF / 347 Kb |
| Dokumentensprache | Englisch |
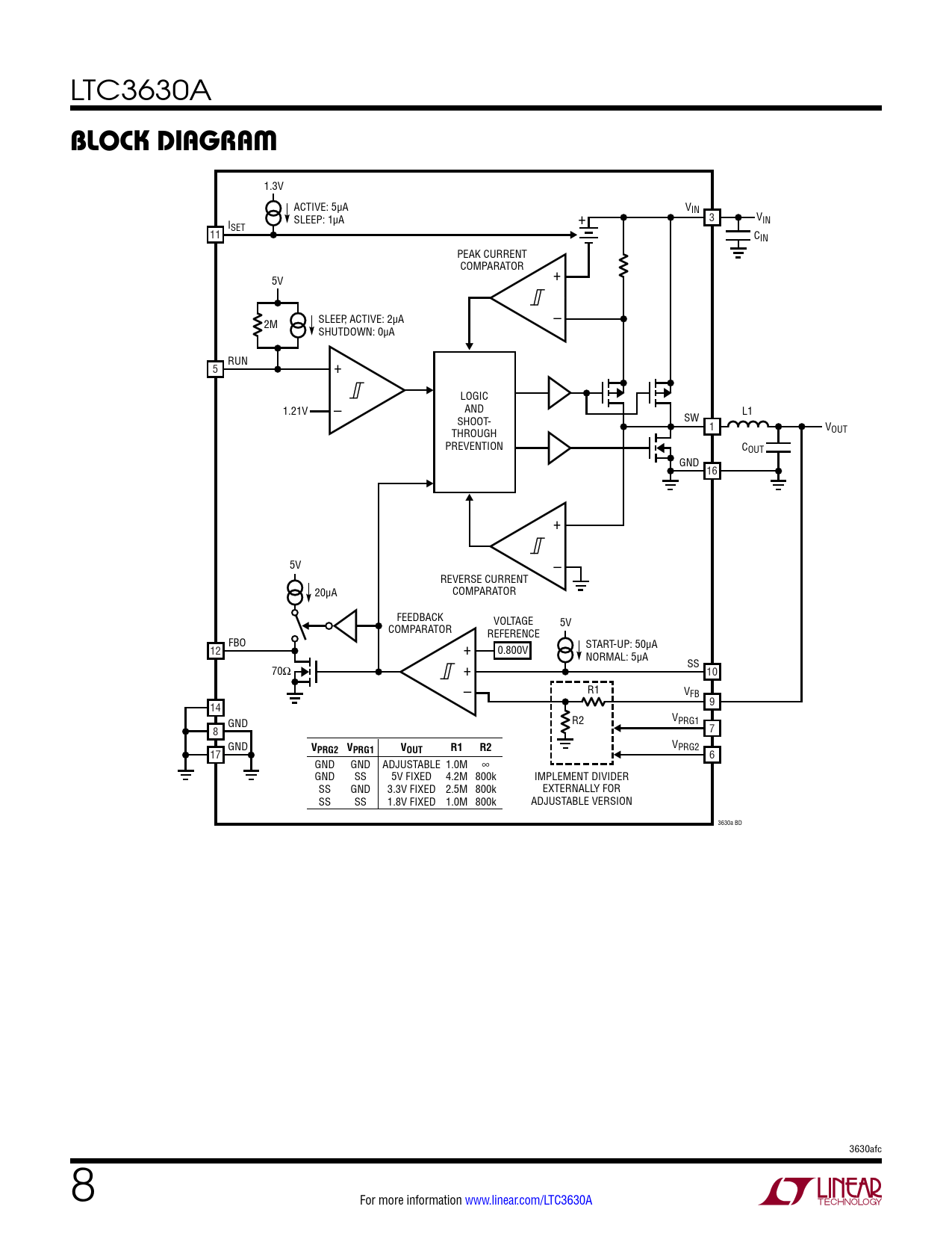
block DiagraM. VPRG2 VPRG1. VOUT

Modelllinie für dieses Datenblatt
Textversion des Dokuments
LTC3630A
block DiagraM
1.3V ACTIVE: 5µA V SLEEP: 1µA + IN 3 VIN ISET 11 CIN PEAK CURRENT COMPARATOR + 5V SLEEP, ACTIVE: 2µA – 2M SHUTDOWN: 0µA RUN 5 + LOGIC 1.21V – AND L1 SW SHOOT- 1 VOUT THROUGH PREVENTION COUT GND 16 + 5V – REVERSE CURRENT 20µA COMPARATOR FEEDBACK VOLTAGE COMPARATOR 5V REFERENCE FBO 12 + START-UP: 50µA 0.800V NORMAL: 5µA 70Ω + SS 10 – R1 VFB 14 9 GND R2 VPRG1 8 7 GND
VPRG2 VPRG1 VOUT R1 R2
VPRG2 17 6 GND GND ADJUSTABLE 1.0M ∞ GND SS 5V FIXED 4.2M 800k IMPLEMENT DIVIDER SS GND 3.3V FIXED 2.5M 800k EXTERNALLY FOR SS SS 1.8V FIXED 1.0M 800k ADJUSTABLE VERSION 3630a BD 3630afc 8 For more information www.linear.com/LTC3630A Document Outline Features Applications Description Typical Application Absolute Maximum Ratings Pin Configuration Order Information Electrical Characteristics Typical Performance Characteristics Pin Functions Block Diagram Operation Applications Information Typical Applications Package Description Revision History Typical Application Related Parts