Datasheet LT1511 (Analog Devices) - 7

HerstellerAnalog Devices
BeschreibungConstant-Current/Constant-Voltage 3A Battery Charger with Input Current Limiting
Seiten / Seite16 / 7 — BLOCK DIAGRAM
Dateiformat / GrößePDF / 149 Kb
DokumentenspracheEnglisch

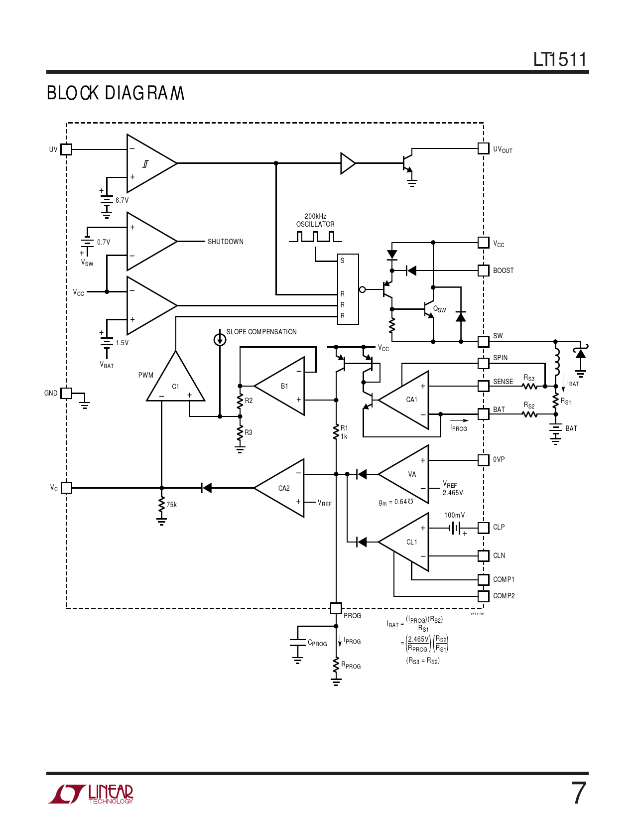
BLOCK DIAGRAM

BLOCK DIAGRAM

Modelllinie für dieses Datenblatt

Textversion des Dokuments

LT1511
W BLOCK DIAGRAM
– UV UVOUT + + 6.7V 200kHz + OSCILLATOR 0.7V SHUTDOWN VCC + – V S SW BOOST – VCC R R Q + SW R + SLOPE COMPENSATION SW 1.5V VCC SPIN VBAT – PWM R SENSE S3 I C1 B1 + BAT GND + – + R2 CA1 R R S1 S2 – BAT R1 IPROG BAT R3 1k + 0VP – VA V V REF C CA2 – + 2.465V Ω V 75k REF gm = 0.64 100mV + CLP + CL1 – CLN COMP1 COMP2 1511 BD PROG (I I PROG)(RS2) BAT = RS1 I R C PROG 2.465V S2 ( )( ) PROG = RPROG RS1 (R R S3 = RS2) PROG 7