Datasheet LTC1759 (Analog Devices) - 9
| Hersteller | Analog Devices |
| Beschreibung | Smart Battery Charger |
| Seiten / Seite | 28 / 9 — BLOCK DIAGRA. Figure 2 |
| Dateiformat / Größe | PDF / 302 Kb |
| Dokumentensprache | Englisch |
BLOCK DIAGRA. Figure 2

Modelllinie für dieses Datenblatt
Textversion des Dokuments
LTC1759
W BLOCK DIAGRA
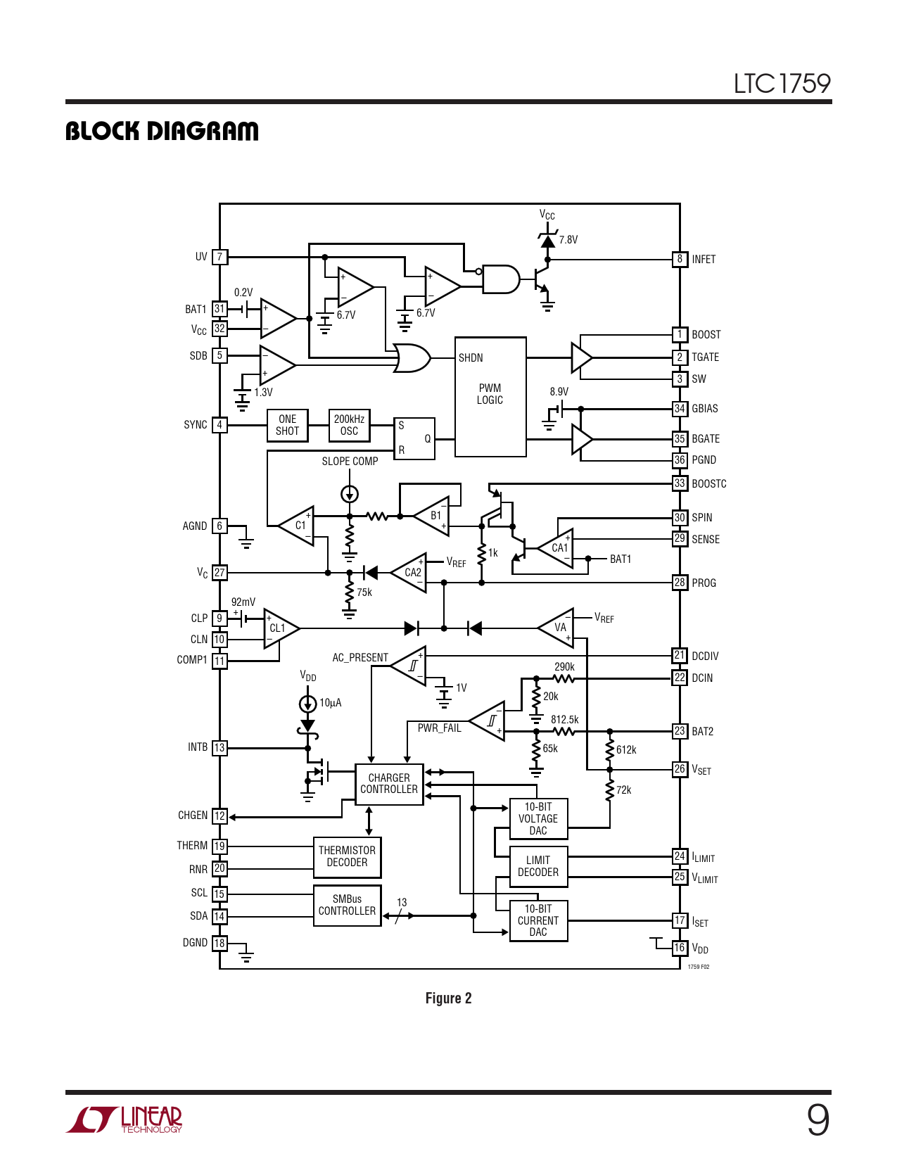
VCC 7.8V UV 7 8 INFET + + 0.2V – – + BAT1 31 6.7V 6.7V – VCC 32 1 BOOST – SDB 5 SHDN 2 TGATE + 3 SW 1.3V PWM 8.9V LOGIC 34 GBIAS ONE 200kHz SYNC 4 S SHOT OSC Q 35 BGATE R SLOPE COMP 36 PGND 33 BOOSTC – + B1 30 SPIN AGND 6 C1 + – + 29 SENSE CA1 1k – + V BAT1 REF V 27 C CA2– 28 PROG 75k 92mV + + – CLP 9 VREF CL1 VA – CLN 10 + + 21 COMP1 DCDIV 11 AC_PRESENT 290k – VDD 22 DCIN 1V 20k 10µA – 812.5k PWR_FAIL + 23 BAT2 INTB 13 65k 612k 26 VSET CHARGER CONTROLLER 72k 10-BIT CHGEN 12 VOLTAGE DAC THERM 19 THERMISTOR 24 ILIMIT LIMIT DECODER RNR 20 DECODER 25 VLIMIT SCL 15 SMBus 13 CONTROLLER 10-BIT SDA 14 CURRENT 17 ISET DAC DGND 18 16 VDD 1759 F02
Figure 2
9