Datasheet LTC4011 (Analog Devices) - 10
| Hersteller | Analog Devices |
| Beschreibung | High Efficiency Standalone Nickel Battery Charger |
| Seiten / Seite | 26 / 10 — LTC4011. block. DiagraM. INFET. DCIN. 20. 1. FET. DIODE. FAULT. READY. 2. … |
| Dateiformat / Größe | PDF / 674 Kb |
| Dokumentensprache | Englisch |
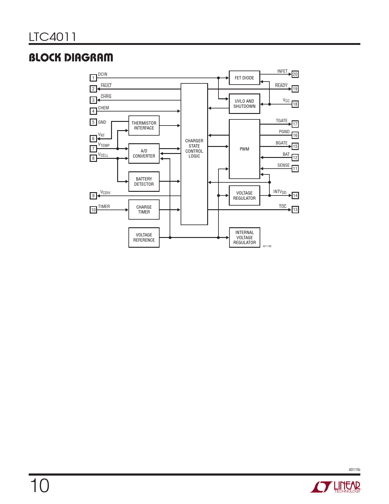
LTC4011. block. DiagraM. INFET. DCIN. 20. 1. FET. DIODE. FAULT. READY. 2. 19. CHRG. 3. UVLO. AND. VCC. SHUTDOWN. 18. CHEM. 4. 5. GND. THERMISTOR. TGATE. 17. INTERFACE. V. PGND. RT

Modelllinie für dieses Datenblatt
Textversion des Dokuments
LTC4011 block DiagraM INFET DCIN 20 1 FET DIODE FAULT READY 2 19 CHRG 3 UVLO AND VCC SHUTDOWN 18 CHEM 4 5 GND THERMISTOR TGATE 17 INTERFACE V PGND RT 16 6 CHARGER V BGATE TEMP 7 STATE 15 A/D CONTROL PWM VCELL BAT 8 CONVERTER LOGIC 12 SENSE 11 BATTERY DETECTOR VCDIV VOLTAGE INTVDD 9 14 REGULATOR TIMER CHARGE TOC 10 13 TIMER VOLTAGE INTERNAL REFERENCE VOLTAGE REGULATOR 4011 BD 4011fb 0 Document Outline Features Applications Description Typical Application Absolute Maximum Ratings Pin Configuration Order Information Electrical Characteristics Typical Performance Characteristics Pin Functions Block Diagram Operation Applications Information Package Description Revision History Related Parts