Datasheet LTC4010 (Analog Devices) - 9
| Hersteller | Analog Devices |
| Beschreibung | High Efficiency Standalone Nickel Battery Charger |
| Seiten / Seite | 24 / 9 — (Refer to Figure 1). Figure 1. LTC4010 State Diagram |
| Dateiformat / Größe | PDF / 292 Kb |
| Dokumentensprache | Englisch |
(Refer to Figure 1). Figure 1. LTC4010 State Diagram

Modelllinie für dieses Datenblatt
Textversion des Dokuments
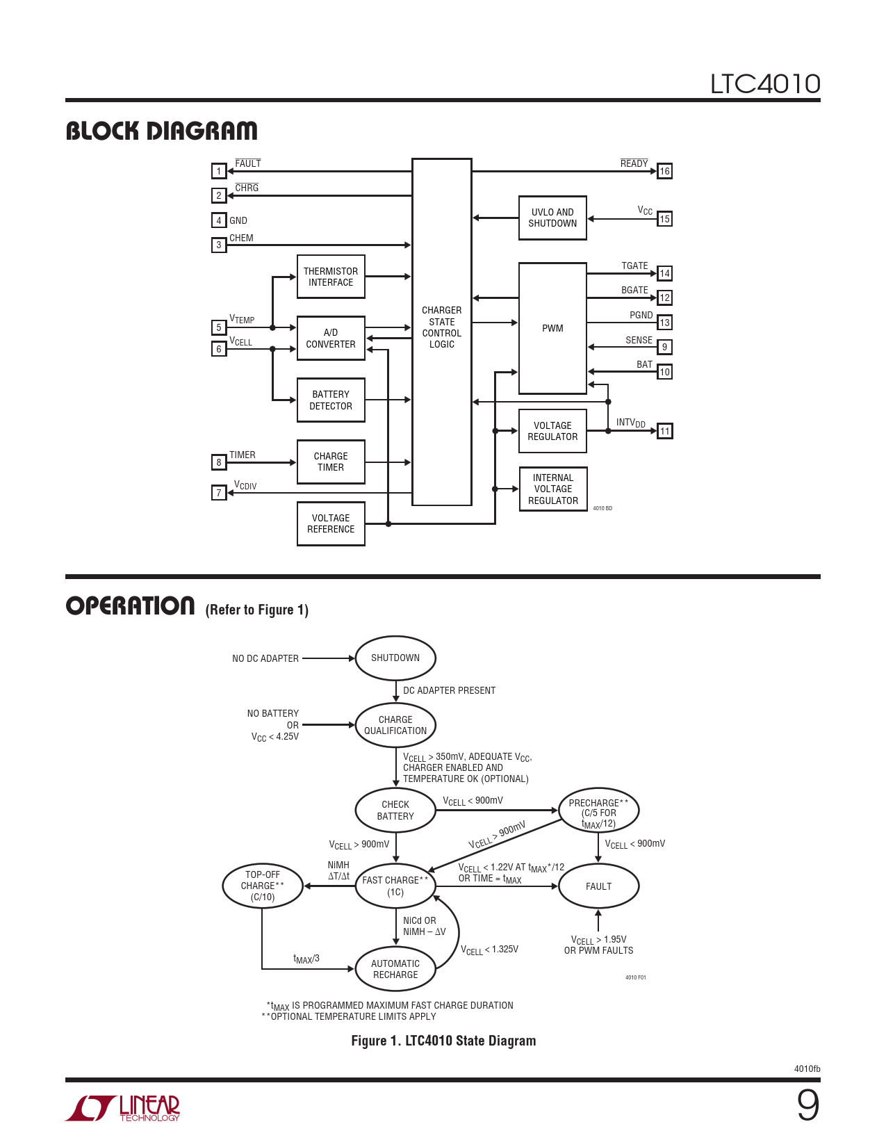
LTC4010 block DiagraM FAULT READY 1 16 CHRG 2 UVLO AND VCC 4 GND SHUTDOWN 15 CHEM 3 THERMISTOR TGATE 14 INTERFACE BGATE 12 CHARGER V PGND TEMP 5 STATE 13 A/D CONTROL PWM VCELL SENSE 6 CONVERTER LOGIC 9 BAT 10 BATTERY DETECTOR VOLTAGE INTVDD 11 REGULATOR TIMER CHARGE 8 TIMER INTERNAL VCDIV VOLTAGE 7 REGULATOR 4010 BD VOLTAGE REFERENCE operaTion
(Refer to Figure 1)
NO DC ADAPTER SHUTDOWN DC ADAPTER PRESENT NO BATTERY CHARGE OR QUALIFICATION VCC < 4.25V VCELL > 350mV, ADEQUATE VCC, CHARGER ENABLED AND TEMPERATURE OK (OPTIONAL) VCELL < 900mV CHECK PRECHARGE** BATTERY (C/5 FOR tMAX/12) > 900mV VCELL > 900mV VCELL VCELL < 900mV NiMH VCELL < 1.22V AT tMAX*/12 TOP-OFF ∆T/∆t FAST CHARGE** OR TIME = tMAX CHARGE** (1C) FAULT (C/10) NiCd OR NiMH – ∆V VCELL > 1.95V VCELL < 1.325V OR PWM FAULTS tMAX/3 AUTOMATIC RECHARGE 4010 F01 *tMAX IS PROGRAMMED MAXIMUM FAST CHARGE DURATION **OPTIONAL TEMPERATURE LIMITS APPLY
Figure 1. LTC4010 State Diagram
4010fb Document Outline Features Applications Description Typical Application Absolute Maximum Ratings Pin Configuration Order Information Electrical Characteristics Typical Performance Characteristics Pin Functions Block Diagram Operation Applications Information Package Description Revision History Related Parts