Datasheet LTC4121, LTC4121-4.2 (Analog Devices) - 10

HerstellerAnalog Devices
Beschreibung40V 400mA Synchronous Step-Down Battery Charger
Seiten / Seite30 / 10 — BLOCK DIAGRAM. Diagram. Block. Figure
Dateiformat / GrößePDF / 383 Kb
DokumentenspracheEnglisch

BLOCK DIAGRAM. Diagram. Block. Figure

BLOCK DIAGRAM Diagram Block Figure

Modelllinie für dieses Datenblatt

Textversion des Dokuments

LTC4121/LTC4121-4.2
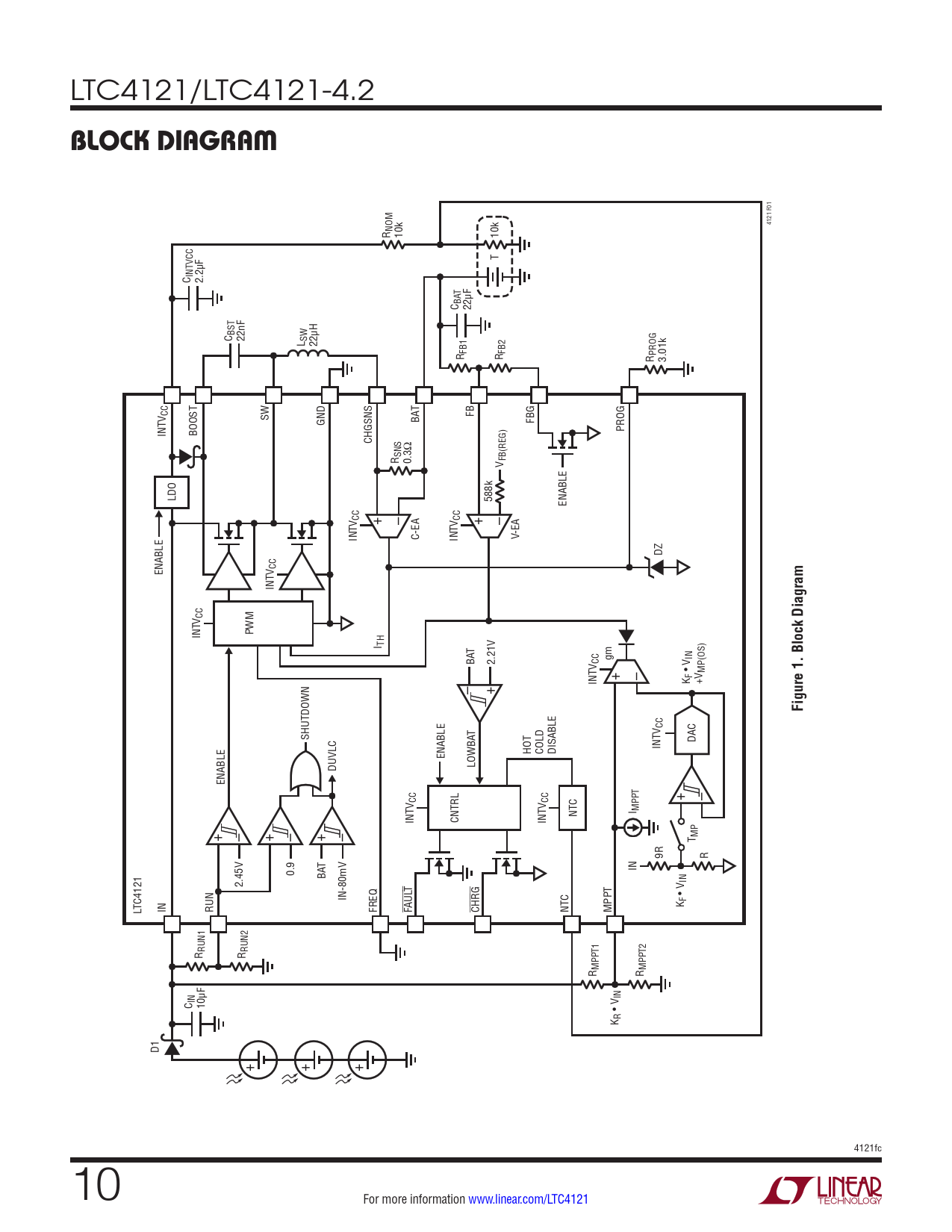
BLOCK DIAGRAM
4121 F01 R NOM 10k 10k T VCC C INT 2.2µF C BAT 22µF C BST 22nF L SW 22µH R FB1 R FB2 R PROG 3.01k V CC SW BAT FB GND FBG INT BOOST PROG CHGSNS R SNS 0.3Ω V FB(REG) LDO 588k ENABLE V CC + – V CC + – INT C-EA INT V-EA DZ ENABLE V CC INT M V CC
Diagram
PW INT I TH
Block
BAT 2.21V IN V CC gm • V MP(OS)
1.
INT + – – + K F +V
Figure
SHUTDOWN T V CC DAC INT ENABLE HOT COLD DISABLE DUVLC LOWBA ENABLE T + – V CC V CC NTC I MPP INT CNTRL INT + – + – + – T MP 9R R 0.9 IN BAT 2.45V IN T T IN-80mV • V LTC4121 IN RUN FREQ FAUL CHRG NTC MPP K F T1 T2 R RUN1 R RUN2 R MPP R MPP IN C IN 10µF • V K R D1 + + + 4121fc 10 For more information www.linear.com/LTC4121 Document Outline Features Applications Typical Application Description Absolute Maximum Ratings Pin Configuration Order Information Electrical Characteristics Typical Performance Characteristics Pin Functions Block Diagram Operation Applications Information Applications Examples Package Description Typical Application Related Parts