Datasheet AD588 (Analog Devices) - 8

HerstellerAnalog Devices
BeschreibungMultiple Output, High Precision, Dual Tracking Reference
Seiten / Seite20 / 8 — AD588. Data Sheet. 39kΩ. +15V. NOISE. 1µF. REDUCTION. +5V. –5V. +VS. …
RevisionM
Dateiformat / GrößePDF / 550 Kb
DokumentenspracheEnglisch

AD588. Data Sheet. 39kΩ. +15V. NOISE. 1µF. REDUCTION. +5V. –5V. +VS. 0.1µF. SYSTEM. GROUND. –15V. 100kΩ. 20T. BALANCE. ADJUST. GAIN ADJUST. –10V. +VS 2. +10V

AD588 Data Sheet 39kΩ +15V NOISE 1µF REDUCTION +5V –5V +VS 0.1µF SYSTEM GROUND –15V 100kΩ 20T BALANCE ADJUST GAIN ADJUST –10V +VS 2 +10V

Modelllinie für dieses Datenblatt

Textversion des Dokuments

link to page 8
AD588 Data Sheet
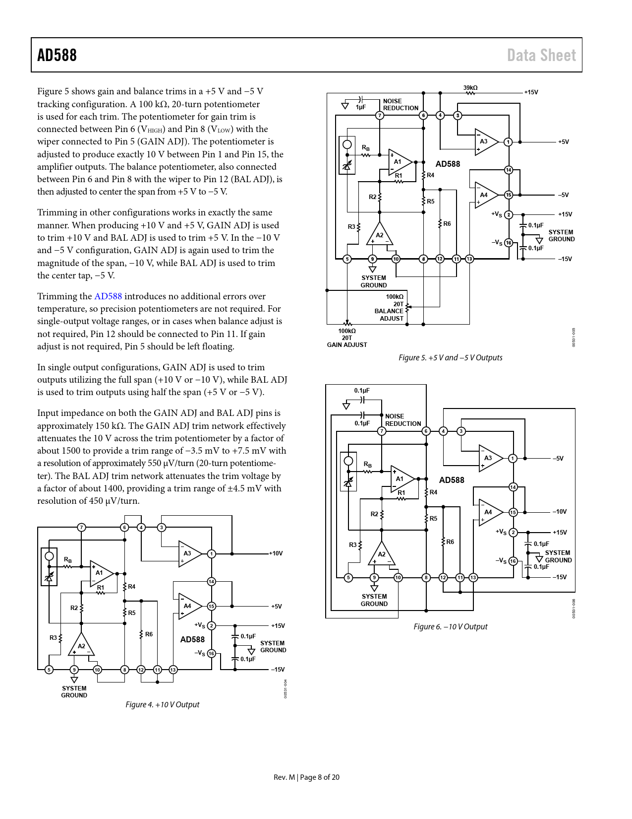
Figure 5 shows gain and balance trims in a +5 V and −5 V
39kΩ +15V
tracking configuration. A 100 kΩ, 20-turn potentiometer
NOISE 1µF REDUCTION
is used for each trim. The potentiometer for gain trim is connected between Pin 6 (VHIGH) and Pin 8 (VLOW) with the wiper connected to Pin 5 (GAIN ADJ). The potentiometer is
A3 +5V RB
adjusted to produce exactly 10 V between Pin 1 and Pin 15, the
A1
amplifier outputs. The balance potentiometer, also connected
AD588 R4
between Pin 6 and Pin 8 with the wiper to Pin 12 (BAL ADJ), is
R1
then adjusted to center the span from +5 V to −5 V.
R2 A4 –5V R5
Trimming in other configurations works in exactly the same
+VS +15V
manner. When producing +10 V and +5 V, GAIN ADJ is used
R3 R6 0.1µF
to trim +10 V and BAL ADJ is used to trim +5 V. In the −10 V
A2 SYSTEM –V GROUND S
and −5 V configuration, GAIN ADJ is again used to trim the
0.1µF –15V
magnitude of the span, −10 V, while BAL ADJ is used to trim the center tap, −5 V.
SYSTEM GROUND
Trimming the AD588 introduces no additional errors over
100kΩ 20T
temperature, so precision potentiometers are not required. For
BALANCE
single-output voltage ranges, or in cases when balance adjust is
ADJUST
not required, Pin 12 should be connected to Pin 11. If gain
100kΩ
005
20T
1- adjust is not required, Pin 5 should be left floating.
GAIN ADJUST
0053 Figure 5. +5 V and −5 V Outputs In single output configurations, GAIN ADJ is used to trim outputs utilizing the full span (+10 V or −10 V), while BAL ADJ is used to trim outputs using half the span (+5 V or −5 V).
0.1µF
Input impedance on both the GAIN ADJ and BAL ADJ pins is
NOISE
approximately 150 kΩ. The GAIN ADJ trim network effectively
0.1µF REDUCTION 7 6 4 3
attenuates the 10 V across the trim potentiometer by a factor of about 1500 to provide a trim range of −3.5 mV to +7.5 mV with
A3 1 –5V
a resolution of approximately 550 μV/turn (20-turn potentiome-
RB
ter). The BAL ADJ trim network attenuates the trim voltage by
A1 AD588
a factor of about 1400, providing a trim range of ±4.5 mV with
14 R1 R4
resolution of 450 μV/turn.
R2 A4 15 –10V R5 7 6 4 3 +VS 2 +15V R3 R6 0.1µF A3 1 +10V SYSTEM A2 RB –VS 16 GROUND 0.1µF A1 5 9 10 8 12 11 13 –15V 14 R1 R4 SYSTEM GROUND
006
R2 A4 15 +5V R5
00531-
+VS 2 +15V
Figure 6. −10 V Output
R6 R3 AD588 0.1µF SYSTEM A2 –V GROUND S 16 0.1µF 5 9 10 8 12 11 13 –15V
004
SYSTEM
31-
GROUND
005 Figure 4. +10 V Output Rev. M | Page 8 of 20 Document Outline FEATURES GENERAL DESCRIPTION FUNCTIONAL BLOCK DIAGRAM PRODUCT HIGHLIGHTS TABLE OF CONTENTS REVISION HISTORY SPECIFICATIONS ABSOLUTE MAXIMUM RATINGS ESD CAUTION PIN CONFIGURATION AND FUNCTION DESCRIPTIONS THEORY OF OPERATION APPLICATIONS INFORMATION CALIBRATION NOISE PERFORMANCE AND REDUCTION TURN-ON TIME TEMPERATURE PERFORMANCE KELVIN CONNECTIONS DYNAMIC PERFORMANCE USING THE AD588 WITH CONVERTERS AD7535 14-BIT DIGITAL-TO-ANALOG CONVERTER AD569 16-BIT DIGITAL-TO-ANALOG CONVERTER SUBSTITUTING FOR INTERNAL REFERENCES AD574A 12-BIT ANALOG-TO-DIGITAL CONVERTER RESISTANCE TEMPERATURE DETECTOR (RTD) EXCITATION BOOSTED PRECISION CURRENT SOURCE BRIDGE DRIVER CIRCUITS OUTLINE DIMENSIONS ORDERING GUIDE