Datasheet LM258, LM358, LM358A, LM358E, LM2904, LM2904A, LM2904E, LM2904V, NCV2904 (ON Semiconductor) - 2
| Hersteller | ON Semiconductor |
| Beschreibung | Single Supply Dual Operational Amplifiers |
| Seiten / Seite | 14 / 2 — LM258, LM358, LM358A, LM358E, LM2904, LM2904A, LM2904E, LM2904V, NCV2904. … |
| Revision | 32 |
| Dateiformat / Größe | PDF / 140 Kb |
| Dokumentensprache | Englisch |
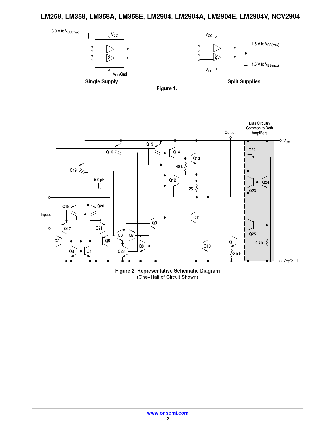
LM258, LM358, LM358A, LM358E, LM2904, LM2904A, LM2904E, LM2904V, NCV2904. Single Supply. Split Supplies. Figure 1

Modelllinie für dieses Datenblatt
Textversion des Dokuments
LM258, LM358, LM358A, LM358E, LM2904, LM2904A, LM2904E, LM2904V, NCV2904
3.0 V to VCC(max) VCC VCC 1.5 V to VCC(max) 1 1 2 2 1.5 V to VEE(max) VEE VEE/Gnd
Single Supply Split Supplies Figure 1.
Bias Circuitry Common to Both Output Amplifiers VCC Q15 Q22 Q16 Q14 Q13 40 k Q19 5.0 pF Q12 Q24 25 Q23 Q18 Q20 Inputs Q11 Q9 Q17 Q21 Q6 Q7 Q25 Q2 Q5 Q1 2.4 k Q8 Q10 Q3 Q4 Q26 2.0 k VEE/Gnd
Figure 2. Representative Schematic Diagram
(One−Half of Circuit Shown)
www.onsemi.com 2