Datasheet PIC16F631, PIC16F677, PIC16F685, PIC16F687, PIC16F689, PIC16F690 (Microchip) - 9
| Hersteller | Microchip |
| Beschreibung | 20-Pin Flash-Based, 8-Bit CMOS Microcontrollers |
| Seiten / Seite | 298 / 9 — PIC16F631/677/685/687/689/690. 1.0 DEVICE OVERVIEW Block Diagrams and … |
| Dateiformat / Größe | PDF / 3.1 Mb |
| Dokumentensprache | Englisch |
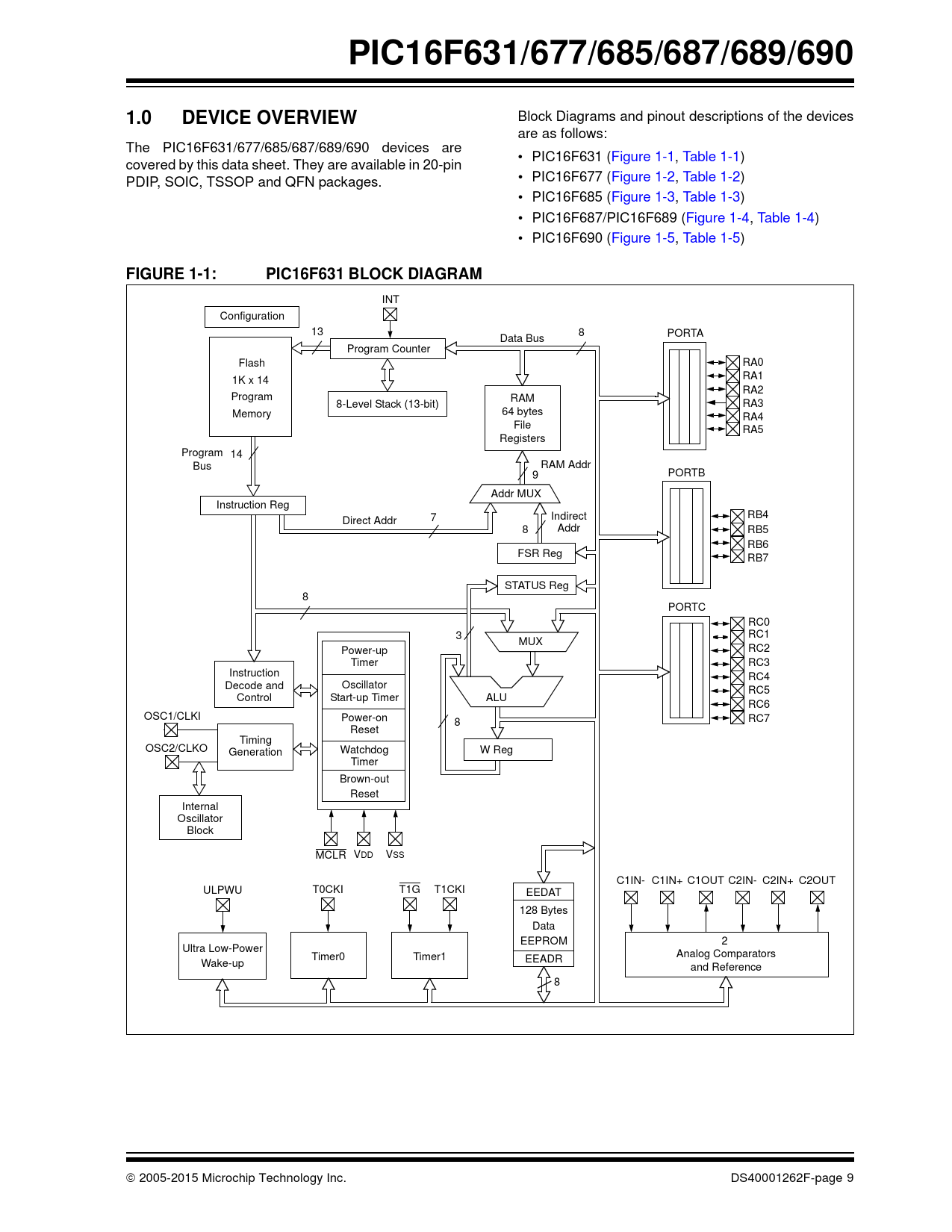
PIC16F631/677/685/687/689/690. 1.0 DEVICE OVERVIEW Block Diagrams and pinout descriptions of the devices

Modelllinie für dieses Datenblatt
Textversion des Dokuments
PIC16F631/677/685/687/689/690
1.0 DEVICE OVERVIEW Block Diagrams and pinout descriptions of the devices
are as follows: The PIC16F631/677/685/687/689/690 devices are
covered by this data sheet. They are available in 20-pin
PDIP, SOIC, TSSOP and QFN packages. FIGURE 1-1: •
•
•
•
• PIC16F631 (Figure 1-1, Table 1-1)
PIC16F677 (Figure 1-2, Table 1-2)
PIC16F685 (Figure 1-3, Table 1-3)
PIC16F687/PIC16F689 (Figure 1-4, Table 1-4)
PIC16F690 (Figure 1-5, Table 1-5) PIC16F631 BLOCK DIAGRAM
INT
Configuration
13 8 Data Bus PORTA Program Counter
RA0
RA1
RA2
RA3
RA4
RA5 Flash
1K x 14
Program RAM
64 bytes
File
Registers 8-Level Stack (13-bit) Memory Program 14
Bus RAM Addr
9 PORTB Addr MUX
Instruction Reg
7 Direct Addr 8 RB4
RB5
RB6
RB7 Indirect
Addr FSR Reg
STATUS Reg
8
PORTC
3
Power-up
Timer
Instruction
Decode and
Control
OSC1/CLKI Oscillator
Start-up Timer ALU Power-on
Reset OSC2/CLKO Timing
Generation RC0
RC1
RC2
RC3
RC4
RC5
RC6
RC7 MUX 8 Watchdog
Timer W Reg Brown-out
Reset
Internal
Oscillator
Block
MCLR VDD
ULPWU Ultra Low-Power
Wake-up T0CKI VSS
T1G T1CKI C1IN-C1IN+ C1OUT C2IN-C2IN+ C2OUT
EEDAT
128 Bytes
Data
EEPROM Timer0 Timer1 EEADR 2
Analog Comparators
and Reference 8 2005-2015 Microchip Technology Inc. DS40001262F-page 9