Datasheet LTC3806 (Analog Devices) - 7
| Hersteller | Analog Devices | 
| Beschreibung | Synchronous Flyback DC/DC Controller | 
| Seiten / Seite | 20 / 7 — BLOCK DIAGRA | 
| Dateiformat / Größe | PDF / 219 Kb | 
| Dokumentensprache | Englisch | 
BLOCK DIAGRA

Modelllinie für dieses Datenblatt
Textversion des Dokuments
LTC3806
W BLOCK DIAGRA
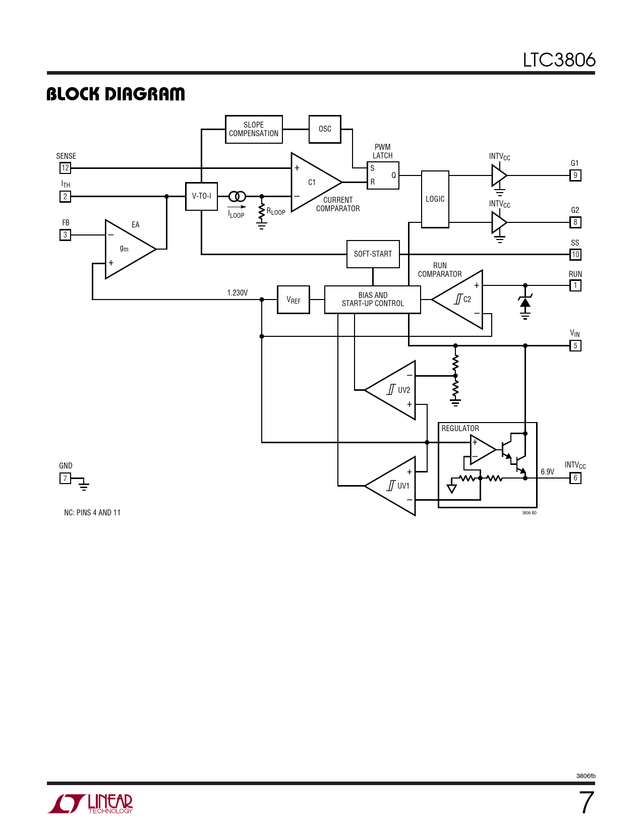
SLOPE OSC COMPENSATION PWM SENSE LATCH INTVCC G1 12 + S Q 9 I C1 R TH 2 V-TO-I – CURRENT LOGIC INTV COMPARATOR CC R G2 LOOP ILOOP FB 8 EA – 3 SS gm SOFT-START 10 + RUN COMPARATOR RUN + 1 1.230V BIAS AND VREF C2 START-UP CONTROL – VIN 5 – UV2 + REGULATOR + – GND INTV + CC 6.9V 7 6 UV1 – 3806 BD NC: PINS 4 AND 11 3806fb 7