Datasheet LT3837 (Analog Devices) - 8
| Hersteller | Analog Devices |
| Beschreibung | Isolated No-Opto Synchronous Flyback Controller |
| Seiten / Seite | 28 / 8 — BLOCK DIAGRAM |
| Dateiformat / Größe | PDF / 324 Kb |
| Dokumentensprache | Englisch |
BLOCK DIAGRAM

Modelllinie für dieses Datenblatt
Textversion des Dokuments
LT3837
BLOCK DIAGRAM
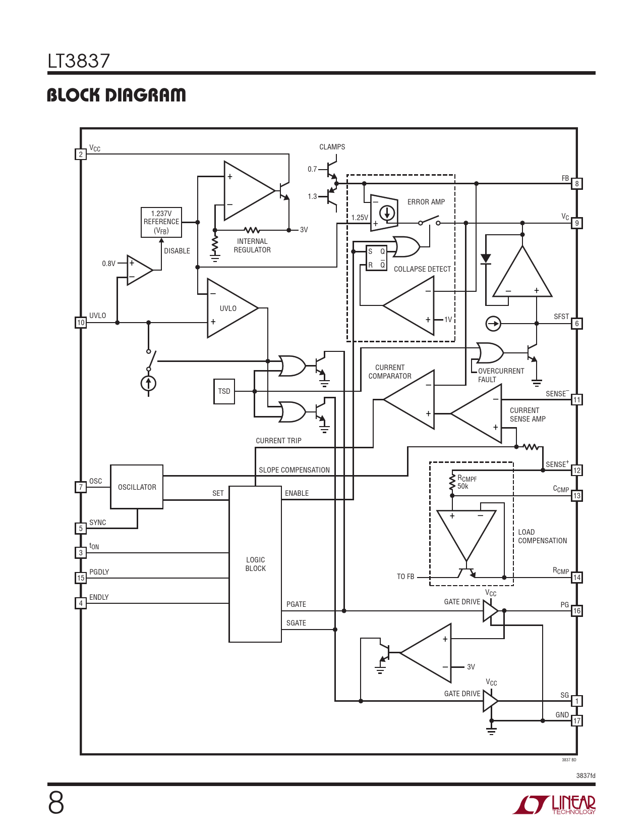
VCC CLAMPS 2 + 0.7 FB 8 1.3 – – ERROR AMP 1.237V V REFERENCE 1.25V + C 9 (VFB) 3V INTERNAL DISABLE REGULATOR S Q 0.8V + R Q COLLAPSE DETECT – – – – + UVLO UVLO + + SFST 10 1V 6 CURRENT OVERCURRENT COMPARATOR – FAULT TSD – SENSE– 11 + CURRENT SENSE AMP + CURRENT TRIP SENSE+ SLOPE COMPENSATION 12 RCMPF OSC 7 OSCILLATOR 50k CCMP SET ENABLE 13 + – SYNC 5 LOAD COMPENSATION tON 3 LOGIC PGDLY BLOCK RCMP 15 TO FB 14 VCC ENDLY 4 PGATE GATE DRIVE PG 16 SGATE + – 3V VCC GATE DRIVE SG 1 GND 17 3837 BD 3837fd 8 Document Outline features applications description Typical Application absolute maximum ratings Pin Configuration order information electrical characteristics typical performance characteristics pin functions block diagram flyback feedback amplifier timing diagram operation applications information typical application Package description Revision History related parts