Datasheet LTC3786 (Analog Devices) - 10

HerstellerAnalog Devices
BeschreibungLow IQ Synchronous Boost Controller
Seiten / Seite34 / 10 — LTC3786. BLOCK. DIAGRAM. INTVCC. D. PGOOD. BOOST. B. 1.32V. +. S. –. Q. …
Dateiformat / GrößePDF / 332 Kb
DokumentenspracheEnglisch

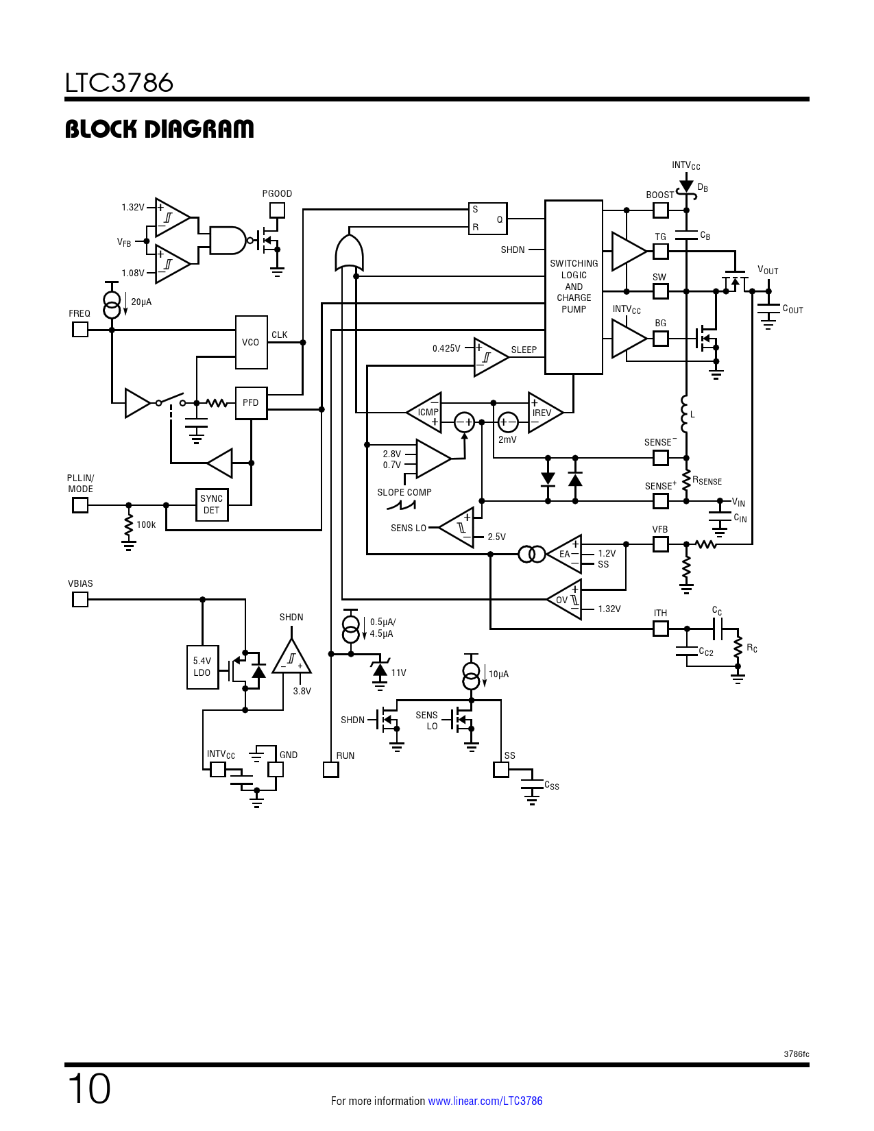
LTC3786. BLOCK. DIAGRAM. INTVCC. D. PGOOD. BOOST. B. 1.32V. +. S. –. Q. R. V. TG. CB. FB. +. SHDN. SWITCHING. 1.08V. –. LOGIC. V. SW. OUT. AND. CHARGE. 20µA. PUMP. INTV. C. CC. OUT. FREQ. BG

LTC3786 BLOCK DIAGRAM INTVCC D PGOOD BOOST B 1.32V + S – Q R V TG CB FB + SHDN SWITCHING 1.08V – LOGIC V SW OUT AND CHARGE 20µA PUMP INTV C CC OUT FREQ BG

Modelllinie für dieses Datenblatt

Textversion des Dokuments

LTC3786 BLOCK DIAGRAM INTVCC D PGOOD BOOST B 1.32V + S – Q R V TG CB FB + SHDN SWITCHING 1.08V – LOGIC V SW OUT AND CHARGE 20µA PUMP INTV C CC OUT FREQ BG CLK VCO 0.425V + SLEEP – – PFD + + ICMP IREV L – + + – – 2mV SENSE– 2.8V 0.7V PLLIN/ RSENSE MODE SLOPE COMP SENSE+ SYNC VIN DET + CIN 100k SENS LO VFB – 2.5V + EA – 1.2V – SS VBIAS + OV – 1.32V SHDN ITH CC 0.5µA/ 4.5µA R C C C2 5.4V – + LDO 11V 10µA 3786 BD 3.8V SHDN SENS LO INTVCC GND RUN SS CSS 3786fc 10 For more information www.linear.com/LTC3786