Datasheet LT3741, LT3741-1 (Analog Devices) - 10
| Hersteller | Analog Devices |
| Beschreibung | High Power, Constant Current, Constant Voltage, Step-Down Controller |
| Seiten / Seite | 24 / 10 — BLOCK DIAGRAM (QFN Package). Figure 1. Block Diagram, LT3741 |
| Dateiformat / Größe | PDF / 639 Kb |
| Dokumentensprache | Englisch |
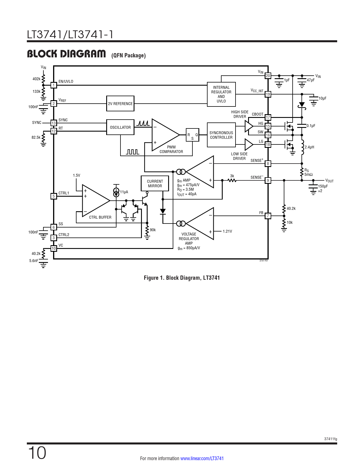
BLOCK DIAGRAM (QFN Package). Figure 1. Block Diagram, LT3741

Modelllinie für dieses Datenblatt
Textversion des Dokuments
LT3741/LT3741-1
BLOCK DIAGRAM (QFN Package)
VIN VIN 20 VIN 402k EN/UVLO 1µF 47µF 1 INTERNAL V 133k CC_INT REGULATOR 19 AND V 10µF REF 2 UVLO 2V REFERENCE 100nF HIGH SIDE DRIVER CBOOT SYNC 17 SYNC 13 – HG 0.1µF RT OSCILLATOR 15 12 SYNCRONOUS SW R Q 16 82.5k + S CONTROLLER LG 18 PWM 2.4µH COMPARATOR LOW SIDE – DRIVER SENSE+ 8 RS 1.5V + 3k 5mΩ SENSE– g CURRENT m AMP 9 VOUT g MIRROR m = 475µA/V 150µF + RO = 3.5M 11µA CTRL1 ×2 + IOUT = 40µA 5 – – 40.2k FB CTRL BUFFER 7 SS 10k 6 90k + 100nF 1.21V CTRL2 VOLTAGE 3 REGULATOR AMP VC 10 gm = 850µA/V 40.2k 5.6nF 3741 F01
Figure 1. Block Diagram, LT3741
37411fg 10 For more information www.linear.com/LT3741 Document Outline Features Applications Description Typical Application Absolute Maximum Ratings Pin Configuration Order Information Electrical Characteristics Typical Performance Characteristics Pin Functions Block Diagram Operation Applications Information Typical Applications Typical Application Related Parts Features Applications Typical Application Description Absolute Maximum Ratings Pin Configuration Order Information Electrical Characteristics Typical Performance Characteristics Pin Functions Block Diagram Operation Applications Information Typical Applications Package Description Revision History Typical Application Related Parts