Datasheet OP42 (Analog Devices) - 8

HerstellerAnalog Devices
BeschreibungHigh Speed, Fast Settling Precision Operational Amplifier
Seiten / Seite12 / 8 — STANDARD. 5962-88513. MICROCIRCUIT DRAWING
Dateiformat / GrößePDF / 162 Kb
DokumentenspracheEnglisch

STANDARD. 5962-88513. MICROCIRCUIT DRAWING

STANDARD 5962-88513 MICROCIRCUIT DRAWING

Modelllinie für dieses Datenblatt

Textversion des Dokuments

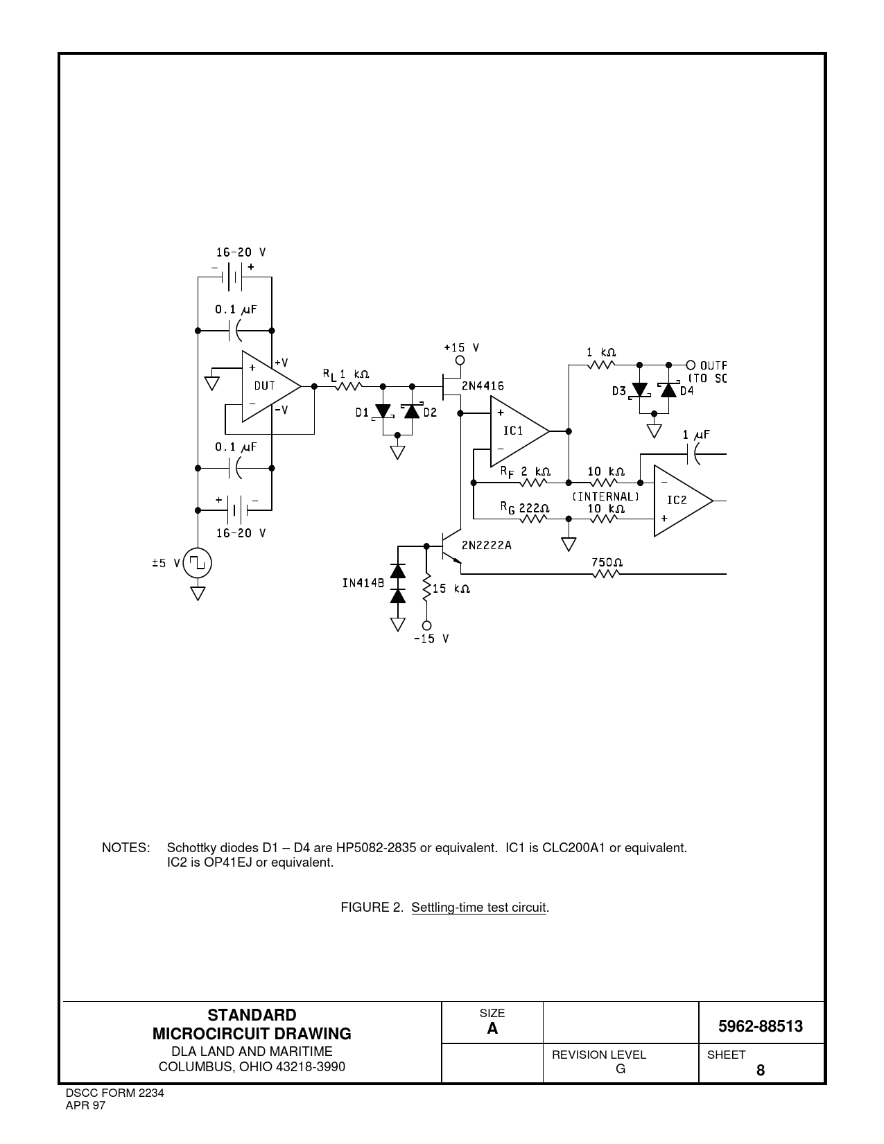
NOTES: Sc hot tk y di odes D 1 – D4 are HP5082 -2835 or equivalent. IC1 is CLC200A1 or equivalent. IC2 is OP41EJ or equivalent. FIGURE 2. Settling-time test circuit.
STANDARD
SIZE
5962-88513 MICROCIRCUIT DRAWING A
DLA LAND AND MARITIME REVISION LEVEL SHEET COLUMBUS, OHIO 43218-3990 G
8
DSCC FORM 2234 APR 97 Document Outline DEPARTMENT OF DEFENSE SPECIFICATION DEPARTMENT OF DEFENSE STANDARDS