Datasheet MIC4043 (Micrel) - 6

HerstellerMicrel
BeschreibungLow-Voltage, Secondary-Side Shunt Regulator
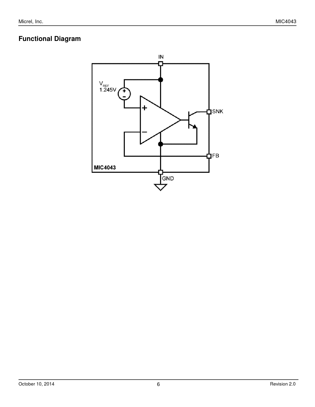
Seiten / Seite14 / 6 — Micrel, Inc. MIC4043 Functional Diagram October 10, 2014 6 Revision 2.0
Revision11-05-2015
Dateiformat / GrößePDF / 1.7 Mb
DokumentenspracheEnglisch

Micrel, Inc. MIC4043 Functional Diagram October 10, 2014 6 Revision 2.0

Micrel, Inc MIC4043 Functional Diagram October 10, 2014 6 Revision 2.0

Modelllinie für dieses Datenblatt

Textversion des Dokuments

Micrel, Inc. MIC4043 Functional Diagram October 10, 2014 6 Revision 2.0