Datasheet MIC7211, MIC7221 (Microchip) - 6
| Hersteller | Microchip |
| Beschreibung | IttyBitty Rail-to-Rail Input Comparator |
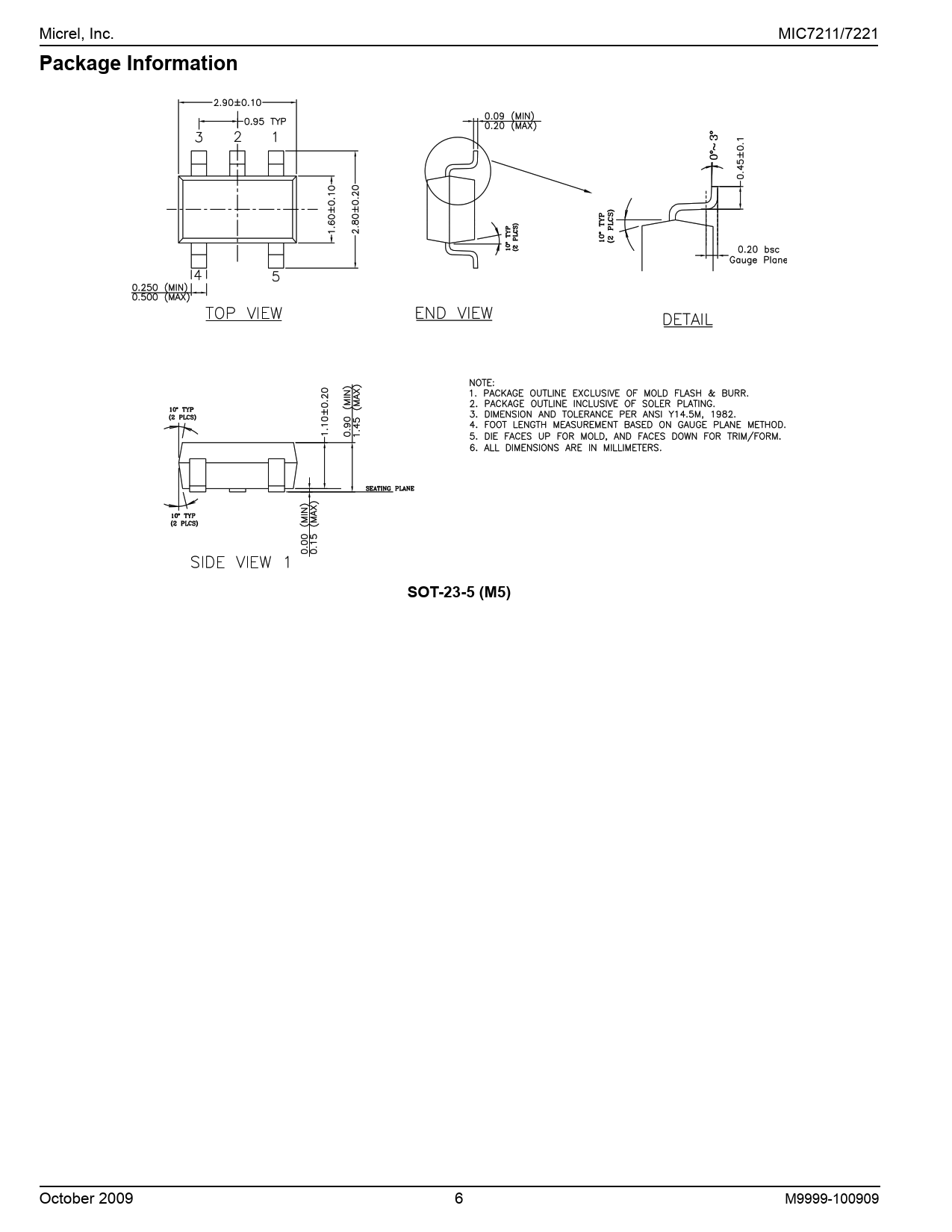
| Seiten / Seite | 7 / 6 — Micrel, Inc. MIC7211/7221 Package Information SOT-23-5 (M5) October 2009 … |
| Revision | 11-09-2015 |
| Dateiformat / Größe | PDF / 351 Kb |
| Dokumentensprache | Englisch |
Micrel, Inc. MIC7211/7221 Package Information SOT-23-5 (M5) October 2009 6 M9999-100909

Modelllinie für dieses Datenblatt
Textversion des Dokuments
Micrel, Inc. MIC7211/7221 Package Information SOT-23-5 (M5) October 2009 6 M9999-100909