Datasheet LTC6905 (Analog Devices) - 6
| Hersteller | Analog Devices |
| Beschreibung | 17MHz to 170MHz Resistor Set SOT-23 Oscillator |
| Seiten / Seite | 12 / 6 — BLOCK DIAGRAM |
| Dateiformat / Größe | PDF / 175 Kb |
| Dokumentensprache | Englisch |
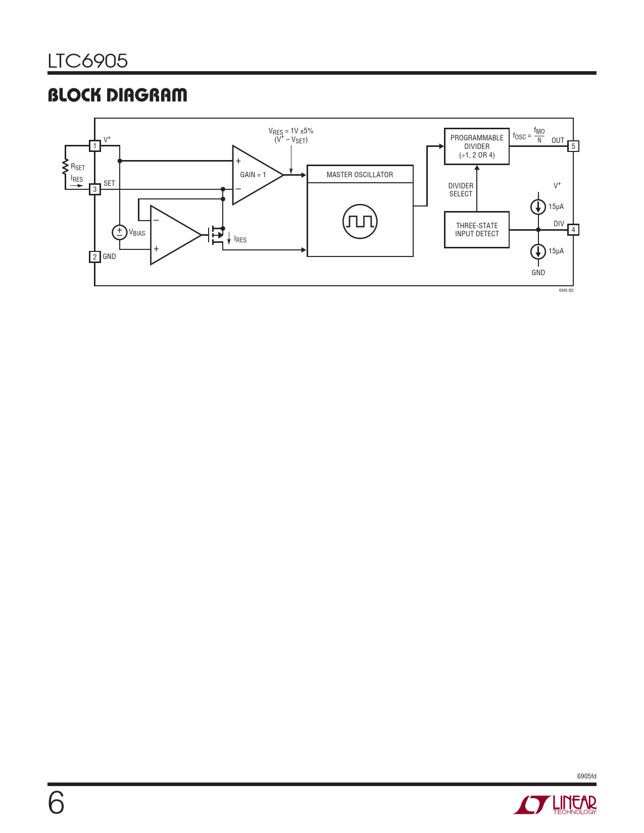
BLOCK DIAGRAM

Modelllinie für dieses Datenblatt
Textversion des Dokuments
LTC6905
BLOCK DIAGRAM
VRES = 1V ±5% f f MO V+ (V+ – V PROGRAMMABLE OSC = SET) N OUT 1 DIVIDER 5 (÷1, 2 OR 4) + RSET GAIN = 1 I MASTER OSCILLATOR RES SET DIVIDER 3 – V+ SELECT 15μA – DIV + THREE-STATE 4 – VBIAS INPUT DETECT IRES + 15μA 2 GND GND 6905 BD 6905fd 6