Datasheet AD10242 (Analog Devices) - 8

HerstellerAnalog Devices
BeschreibungDual Channel, 12-Bit, 40 MSPS MCM A/D Converter with DC-Coupled Analog Input Signal Conditioning (AD9042 Core ADC)
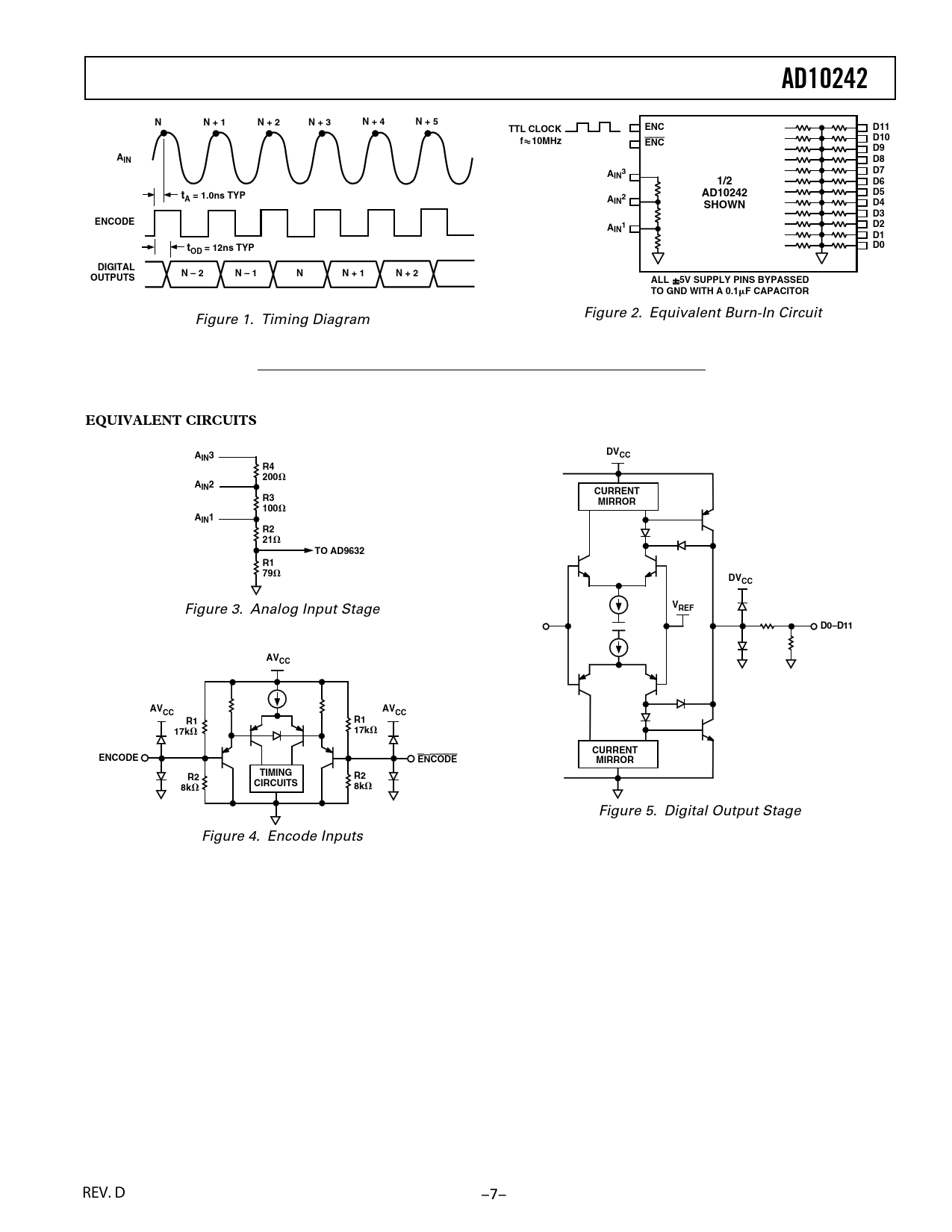
Seiten / Seite16 / 8 — AD10242. N + 1. N + 2. N + 3. N + 4. N + 5. ENC. D11. TTL CLOCK. D10. f …
RevisionD
Dateiformat / GrößePDF / 453 Kb
DokumentenspracheEnglisch

AD10242. N + 1. N + 2. N + 3. N + 4. N + 5. ENC. D11. TTL CLOCK. D10. f 10MHz. AIN. 1/2. tA = 1.0ns TYP. A 2. SHOWN. ENCODE. D1 D0. tOD = 12ns TYP. DIGITAL

AD10242 N + 1 N + 2 N + 3 N + 4 N + 5 ENC D11 TTL CLOCK D10 f 10MHz AIN 1/2 tA = 1.0ns TYP A 2 SHOWN ENCODE D1 D0 tOD = 12ns TYP DIGITAL

Modelllinie für dieses Datenblatt

Textversion des Dokuments

AD10242 N N + 1 N + 2 N + 3 N + 4 N + 5 ENC D11 TTL CLOCK D10 f 10MHz ENC D9 AIN D8 3 D7 AIN 1/2 D6 AD10242 D5 tA = 1.0ns TYP A 2 IN D4 SHOWN D3 ENCODE 1 D2 AIN D1 D0 tOD = 12ns TYP DIGITAL N – 2 N – 1 N N + 1 N + 2 OUTPUTS ALL 5V SUPPLY PINS BYPASSED TO GND WITH A 0.1

F CAPACITOR
Figure 2. Equivalent Burn-In Circuit Figure 1. Timing Diagram
EQUIVALENT CIRCUITS A DV IN3 CC R4 200

AIN2 CURRENT R3 MIRROR 100

AIN1 R2 21

TO AD9632 R1 79

DVCC
Figure 3. Analog Input Stage
VREF D0–D11 AVCC AV AV CC CC R1 R1 17k

17k

CURRENT ENCODE ENCODE MIRROR TIMING R2 R2 CIRCUITS 8k

8k
⍀ Figure 5. Digital Output Stage Figure 4. Encode Inputs REV. D –7– Document Outline FEATURES APPLICATIONS GENERAL DESCRIPTION PRODUCT HIGHLIGHTS FUNCTIONAL BLOCK DIAGRAM SPECIFICATIONS ABSOLUTE MAXIMUM RATINGS1 EXPLANATION OF TEST LEVELS PIN CONFIGURATION PIN FUNCTION DESCRIPTIONS DEFINITION OF SPECIFICATIONS Analog Bandwidth Aperture Delay Aperture Uncertainty (Jitter) Differential Nonlinearity Encode Pulsewidth/Duty Cycle Harmonic Distortion Integral Nonlinearity Minimum Conversion Rate Maximum Conversion Rate Output Propagation Delay Overvoltage Recovery Time Power Supply Rejection Ratio Signal-to-Noise and Distortion (SINAD) Signal-to-Noise Ratio (SNR, without Harmonics) Spurious-Free Dynamic Range (SFDR) Transient Response Two-Tone Intermodulation Distortion Rejection Two-Tone SFDR EQUIVALENT CIRCUITS Typical Performance Characteristics THEORY OF OPERATION APPLYING THE AD10242 Encoding the AD10242 Performance Improvements USING THE FLEXIBLE INPUT GROUNDING AND DECOUPLING Analog and Digital Grounding LAYOUT INFORMATION EVALUATION BOARD OUTLINE DIMENSIONS Ordering Guide Revision History