Datasheet LTC2945 (Analog Devices) - 9
| Hersteller | Analog Devices |
| Beschreibung | Wide Range I2C Power Monitor |
| Seiten / Seite | 34 / 9 — BLOCK DIAGRAM |
| Dateiformat / Größe | PDF / 815 Kb |
| Dokumentensprache | Englisch |
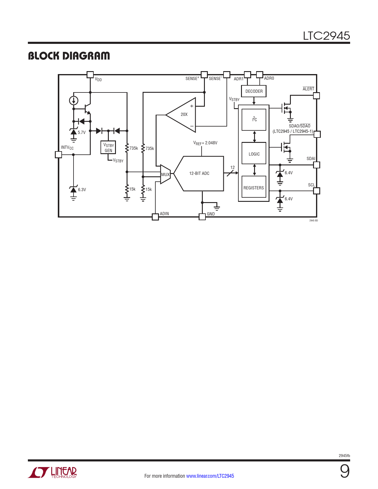
BLOCK DIAGRAM

Modelllinie für dieses Datenblatt
Textversion des Dokuments
LTC2945
BLOCK DIAGRAM
VDD SENSE+ SENSE– ADR1 ADR0 ALERT DECODER VSTBY + 20X – I C 2 SDAO/SDAO 5.7V (LTC2945 / LTC2945-1) V V REF= 2.048V INTV STBY CC 735k 735k GEN LOGIC SDAI VSTBY 12 MUX 12-BIT ADC 6.4V SCL 6.3V 15k 15k REGISTERS 6.4V ADIN GND 2945 BD 2945fb For more information www.linear.com/LTC2945 9