Datasheet LTC1778, LTC1778-1 (Analog Devices) - 8
| Hersteller | Analog Devices |
| Beschreibung | Wide Operating Range, No RSENSE Step-Down Controller |
| Seiten / Seite | 24 / 8 — FU CTIO AL DIAGRA |
| Revision | B |
| Dateiformat / Größe | PDF / 273 Kb |
| Dokumentensprache | Englisch |
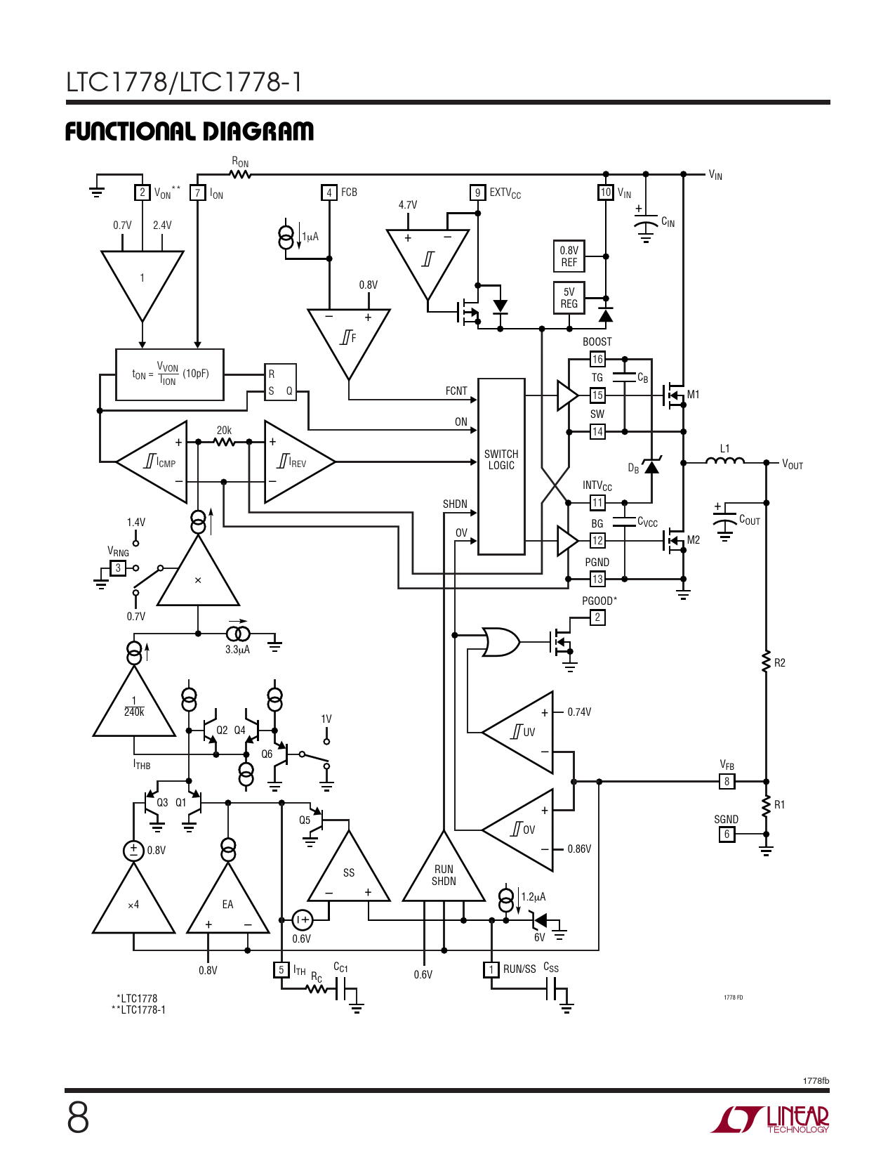
FU CTIO AL DIAGRA

Modelllinie für dieses Datenblatt
Textversion des Dokuments
LTC1778/LTC1778-1
U U W FU CTIO AL DIAGRA
RON VIN 2 V ** 7 I ON ON 4 FCB 9 EXTVCC 10 VIN 4.7V + 0.7V 2.4V CIN 1µA + – 0.8V REF 1 0.8V 5V REG – + F BOOST 16 VVON tON = (10pF) I R ION TG CB S Q FCNT 15 M1 SW ON 20k 14 + + L1 SWITCH ICMP IREV LOGIC VOUT DB – – INTVCC SHDN 11 + 1.4V C BG CVCC OUT OV 12 M2 VRNG PGND 3 × 13 PGOOD* 0.7V 2 3.3µA R2 1 240k + 0.74V 1V Q2 Q4 UV Q6 – ITHB VFB 8 Q3 Q1 R1 + Q5 SGND OV 6 + 0.8V – – 0.86V SS RUN – + SHDN 1.2µA ×4 EA + – – + 0.6V 6V 0.8V 5 I C TH C1 1 RUN/SS CSS R 0.6V C LTC1778 * 1778 FD LTC1778-1 ** 1778fb 8