Datasheet LT3150 (Analog Devices) - 8
| Hersteller | Analog Devices |
| Beschreibung | Fast Transient Response, Low Input Voltage, Very Low Dropout Linear Regulator Controller |
| Seiten / Seite | 20 / 8 — BLOCK DIAGRA S. Boost Switching Regulator. Linear Regulator Controller |
| Dateiformat / Größe | PDF / 265 Kb |
| Dokumentensprache | Englisch |
BLOCK DIAGRA S. Boost Switching Regulator. Linear Regulator Controller

Modelllinie für dieses Datenblatt
Textversion des Dokuments
LT3150
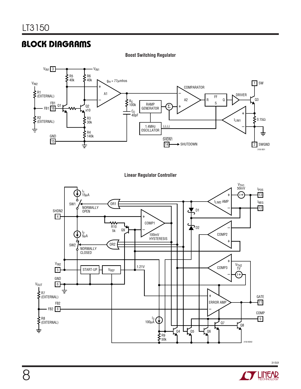
W BLOCK DIAGRA S Boost Switching Regulator
V V IN1 3 IN1 R5 R6 40k 40k g V m = 77µmhos 1 SW IN2 + COMPARATOR – R1 A1 DRIVER (EXTERNAL) FF – A2 R Q R Q3 C FB1 100k RAMP + S Q1 Q2 Σ FB1 16 GENERATOR x10 CC + 40pF R2 R3 I 0.15Ω (EXTERNAL) LIM1 30k 1.4MHz – OSCILLATOR R4 GND 140k SHDN1 15 14 SHUTDOWN 2 SWGND 3150 BD1
Linear Regulator Controller
VTH1 50mV I I POS 1 – + 15µA + 13 ILIM2 AMP I SW1 NEG OR1 NORMALLY – 12 SHDN2 OPEN D1 4 + COMP1 R10 D2 – Q9 5k – I2 5µA 100mV COMP2 HYSTERESIS + SW2 OR2 NORMALLY CLOSED + VIN2 VTH2 1.21V COMP3 1V 5 START-UP VREF – – + GND VOUT 6 R7 + (EXTERNAL) GATE ERROR AMP FB2 11 FB2 8 – COMP R8 I3 9 (EXTERNAL) 100µA Q7 Q8 Q4 Q5 Q6 R9 50k 3150 BD02 3150f 8