Datasheet LT1963A (Analog Devices) - 21
| Hersteller | Analog Devices |
| Beschreibung | 1.5A, Low Noise, Fast Transient Response LDO Regulators |
| Seiten / Seite | 28 / 21 — Typical applicaTions. SCR Pre-Regulator Provides Efficiency Over Line … |
| Dateiformat / Größe | PDF / 552 Kb |
| Dokumentensprache | Englisch |
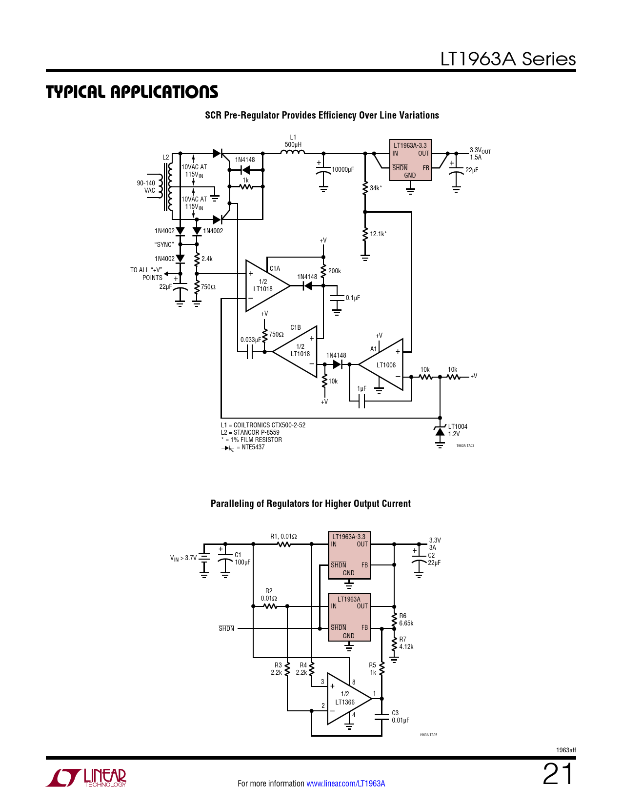
Typical applicaTions. SCR Pre-Regulator Provides Efficiency Over Line Variations

Modelllinie für dieses Datenblatt
Textversion des Dokuments
LT1963A Series
Typical applicaTions SCR Pre-Regulator Provides Efficiency Over Line Variations
L1 500µH LT1963A-3.3 3.3VOUT L2 IN OUT 1.5A 1N4148 + + 10VAC AT 10000µF SHDN FB 22µF 115VIN GND 1k 90-140 34k* VAC 10VAC AT 115VIN 1N4002 1N4002 12.1k* +V “SYNC” 1N4002 2.4k TO ALL “+V” + C1A 200k POINTS 1N4148 + 1/2 22µF 750Ω LT1018 – 0.1µF +V C1B 750Ω + +V 0.033µF 1/2 A1 + LT1018 – 1N4148 LT1006 – 10k 10k +V 10k 1µF +V L1 = COILTRONICS CTX500-2-52 LT1004 L2 = STANCOR P-8559 1.2V * = 1% FILM RESISTOR 1963A TA03 = NTE5437
Paralleling of Regulators for Higher Output Current
R1, 0.01Ω LT1963A-3.3 3.3V IN OUT + + 3A C1 C2 VIN > 3.7V 100µF SHDN FB 22µF GND R2 0.01Ω LT1963A IN OUT R6 6.65k SHDN SHDN FB GND R7 4.12k R3 R4 R5 2.2k 2.2k 1k 3 8 + 1/2 1 2 LT1366 – C3 4 0.01µF 1963A TA05 1963aff For more information www.linear.com/LT1963A 21 Document Outline Features Applications Description Typical Application Absolute Maximum Ratings Pin Configuration Order Information Electrical Characteristics Typical Performance Characteristics Pin Functions Applications Information Typical Applications Package Description Typical Application Revision History Related Parts