Datasheet LT1715 (Analog Devices) - 8
| Hersteller | Analog Devices |
| Beschreibung | 4ns, 150MHz Dual Comparator with Independent Input/Output Supplies |
| Seiten / Seite | 20 / 8 — TEST CIRCUITS. Response Time Test Circuit |
| Dateiformat / Größe | PDF / 255 Kb |
| Dokumentensprache | Englisch |
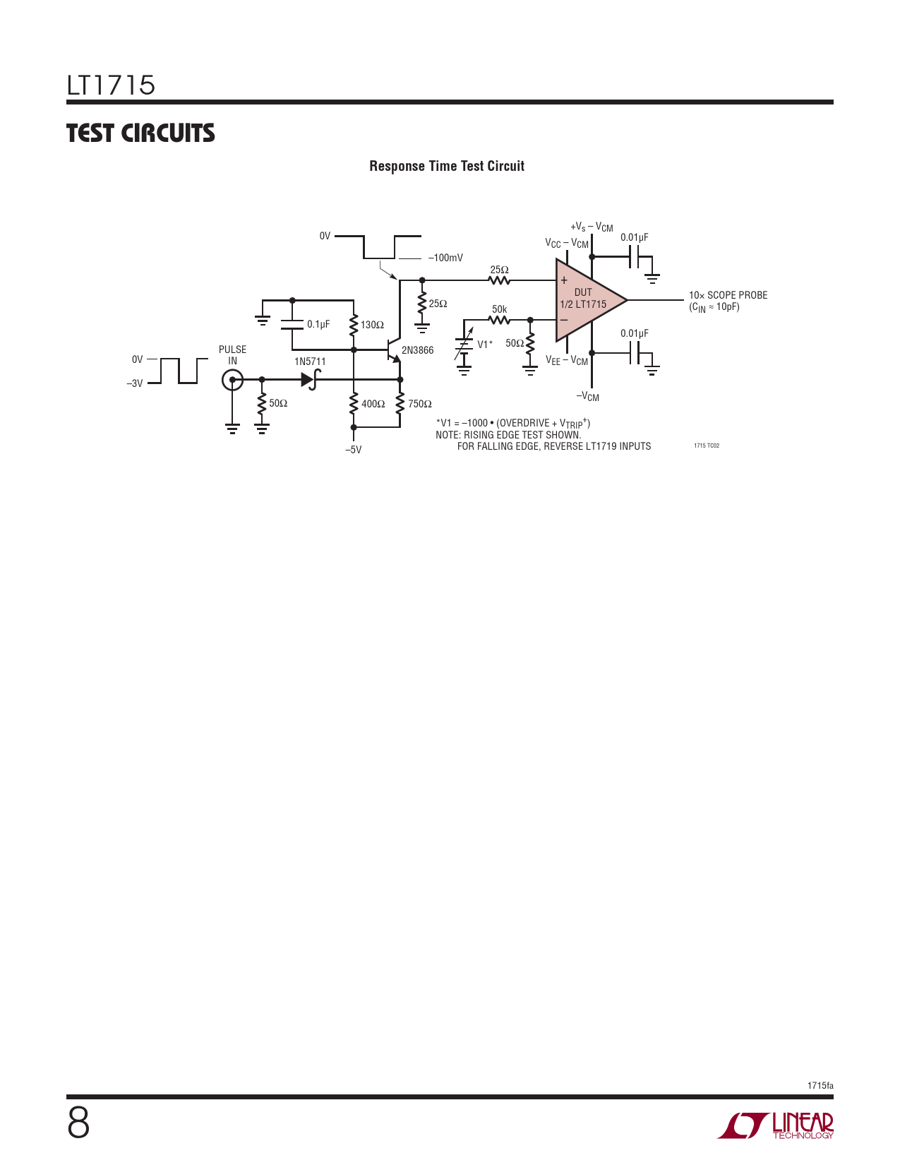
TEST CIRCUITS. Response Time Test Circuit

Modelllinie für dieses Datenblatt
Textversion des Dokuments
LT1715
TEST CIRCUITS Response Time Test Circuit
+Vs – VCM 0V V 0.01μF CC – VCM –100mV 25Ω + DUT 10× SCOPE PROBE 25Ω 1/2 LT1715 50k (CIN ≈ 10pF) 0.1μF – 130Ω 0.01μF V1* 50Ω PULSE 2N3866 0V IN 1N5711 VEE – VCM –3V –VCM 50Ω 400Ω 750Ω *V1 = –1000 • (OVERDRIVE + V + TRIP ) NOTE: RISING EDGE TEST SHOWN. –5V 1715 TC02 FOR FALLING EDGE, REVERSE LT1719 INPUTS 1715fa 8